在线咨询 切换到宽版
eetop公众号 创芯大讲堂 创芯人才网

 找回密码
 注册

手机号码,快捷登录

手机号码,快捷登录

搜全文
查看: 4641|回复: 10

[求助] 带隙基准的问题

[复制链接]
发表于 2012-12-18 17:26:58 | 显示全部楼层 |阅读模式

马上注册,结交更多好友,享用更多功能,让你轻松玩转社区。

您需要 登录 才可以下载或查看,没有账号?注册

×
11.png

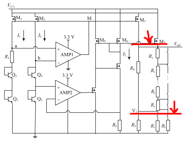
正常工作导通后,M点为何变成低电位了呢?
发表于 2012-12-18 17:30:13 | 显示全部楼层
应该有启动电路下拉M点
回复 支持 反对

使用道具 举报

 楼主| 发表于 2012-12-18 17:35:50 | 显示全部楼层
回复 2# jiang_shuguo


    有的,
是这样的,简并点M为高电位时,使得启动电路给a点注入电流,这样整个电路就摆脱零工作点正常工作了,
正常工作后M就为低电位了,从而使启动电路关闭。
问题是,为什么正常工作时M点就为低电位了呢
回复 支持 反对

使用道具 举报

发表于 2012-12-18 23:06:25 | 显示全部楼层
回复 支持 反对

使用道具 举报

发表于 2012-12-19 10:18:09 | 显示全部楼层
如果整个电路工作正常,就是你的PMOS size 太小了吧?
回复 支持 反对

使用道具 举报

 楼主| 发表于 2012-12-19 11:53:33 | 显示全部楼层
回复 4# ygchen2


    低到接到启动电路中的nmos栅极时可以使其关闭
回复 支持 反对

使用道具 举报

发表于 2012-12-21 04:37:26 | 显示全部楼层
回复 6# elovu5256

那样的话,PMOS工作状态可能已经有问题了,电路需要重新调尺寸。。。
回复 支持 反对

使用道具 举报

发表于 2012-12-22 18:22:31 | 显示全部楼层
可能是 AMP1与bipolar构成的环路不稳定造成的,仿真下环路的增益相位曲线
回复 支持 反对

使用道具 举报

 楼主| 发表于 2012-12-26 10:52:20 | 显示全部楼层
回复 8# xuehaiwuya


    增益相位曲线怎么仿啊 新手求教
回复 支持 反对

使用道具 举报

发表于 2012-12-26 17:40:15 | 显示全部楼层
就是stb
回复 支持 反对

使用道具 举报

您需要登录后才可以回帖 登录 | 注册

本版积分规则

关闭

站长推荐 上一条 /1 下一条

X 关闭广告

手机版| 小黑屋| 关于我们| 联系我们| 隐私声明| EETOP 创芯网
( 京ICP备:10050787号 京公网安备:11010502037710 ) |网站地图

GMT+8, 2025-10-21 09:29 , Processed in 0.023788 second(s), 7 queries , Gzip On, Redis On.

eetop公众号 创芯大讲堂 创芯人才网
快速回复 返回顶部 返回列表