在线咨询 切换到宽版
eetop公众号 创芯大讲堂 创芯人才网

 找回密码
 注册

手机号码,快捷登录

手机号码,快捷登录

搜全文
查看: 8378|回复: 15

[求助] 关于VTH自偏置

[复制链接]
发表于 2010-4-7 21:37:47 | 显示全部楼层 |阅读模式

马上注册,结交更多好友,享用更多功能,让你轻松玩转社区。

您需要 登录 才可以下载或查看,没有账号?注册

×
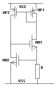
求教:在该结构中,是不是每一个MOS管都要在饱和区?

但是方针中发现MN1管的VGS<VTH,这正常不?
Snap11.bmp
发表于 2010-4-7 22:33:35 | 显示全部楼层
那是没启动。加个启动电路。
回复 支持 反对

使用道具 举报

发表于 2010-4-7 22:39:16 | 显示全部楼层
1# whp2203 调节宽长比是可以让MN1截止的,根据输出电压与静态电流来合理选择宽长比让所有管子都饱和导通,当然MN1 MN2刚好比Vth大一点点 是比较好的 这样能达到低功耗要求。  
菜鸟理解 望大神拍砖
回复 支持 反对

使用道具 举报

发表于 2010-4-8 10:47:33 | 显示全部楼层
学习中,等指点
回复 支持 反对

使用道具 举报

发表于 2010-4-8 12:25:24 | 显示全部楼层
可能有两个1)电路处于未启动状态,2)偏置电流太小,工作在亚阈值区,在亚阈值区,一般VGS<VTH 100mv左右,这也很正常的,阈值电压VTH本来就不是一个固定的点
回复 支持 反对

使用道具 举报

发表于 2010-4-8 12:26:33 | 显示全部楼层
一般让MN2的W/L足够大,让电阻上的压降可以近似为一个VTH,这样用得比较多
回复 支持 反对

使用道具 举报

 楼主| 发表于 2010-4-8 19:53:32 | 显示全部楼层
感谢楼上几位哈。
首先,电路中我忘了画启动电路了,启动电路工作是正常的。
按照格雷所讲,MN2的宽长比大些,使得Vov很小比较好。
通过调节MN1的宽长比可以使其工作在饱和区。但是从仿真上看,
MN1在亚阈区与饱和区好像差别不是很大。是不是平时应用的话设计其工作于饱和区,
在低压低功耗的时候可以使其处于亚阈区呢?
回复 支持 反对

使用道具 举报

发表于 2013-2-24 13:26:48 | 显示全部楼层
我最近也在关注这个结构的设计,谢谢指点
回复 支持 反对

使用道具 举报

发表于 2013-2-24 15:14:53 | 显示全部楼层
这个结构能起到什么作用呢?小虾一个
回复 支持 反对

使用道具 举报

发表于 2013-2-25 16:53:22 | 显示全部楼层
工作在亚阈值值区的原因是保证输出电压的稳定,管子在亚阈值区时电流电压的关系从平方关系过渡为指数关系,这样,电流变化很大时,电压的变化相对较小。还有一个原因是这种结构可以实现低噪输出(输出的精度另由状态机来保证,或其他方式),这对ADDA来说很重要,你推导一下就知道了,可以通过阈值基准电流流过一个diode连接的管子来实现,调整管子的尺寸和连接方式可得到欲得到的电话(这个diode的小信号阻抗对输出噪声的抑制作用匪夷所思,很重要)。bandgap说温度系数很低,但是输出噪声很高。
回复 支持 反对

使用道具 举报

您需要登录后才可以回帖 登录 | 注册

本版积分规则

关闭

站长推荐 上一条 /2 下一条

X 关闭广告

手机版| 小黑屋| 关于我们| 联系我们| 隐私声明| EETOP 创芯网
( 京ICP备:10050787号 京公网安备:11010502037710 ) |网站地图

GMT+8, 2025-10-29 03:34 , Processed in 0.020714 second(s), 8 queries , Gzip On, Redis On.

eetop公众号 创芯大讲堂 创芯人才网
快速回复 返回顶部 返回列表