在线咨询 切换到宽版
eetop公众号 创芯大讲堂 创芯人才网

 找回密码
 注册

手机号码,快捷登录

手机号码,快捷登录

搜全文
查看: 27887|回复: 29

[求助] 如何仿真CMOS开关的导通电阻

[复制链接]
发表于 2013-11-27 11:08:27 | 显示全部楼层 |阅读模式

马上注册,结交更多好友,享用更多功能,让你轻松玩转社区。

您需要 登录 才可以下载或查看,没有账号?注册

×
如何仿真CMOS开关的导通电阻
发表于 2013-11-27 20:39:58 | 显示全部楼层
1/gm?
回复 支持 反对

使用道具 举报

 楼主| 发表于 2013-12-6 09:21:18 | 显示全部楼层
回复 2# heeda
不是,是那条马鞍曲线
回复 支持 反对

使用道具 举报

发表于 2013-12-6 13:26:44 | 显示全部楼层
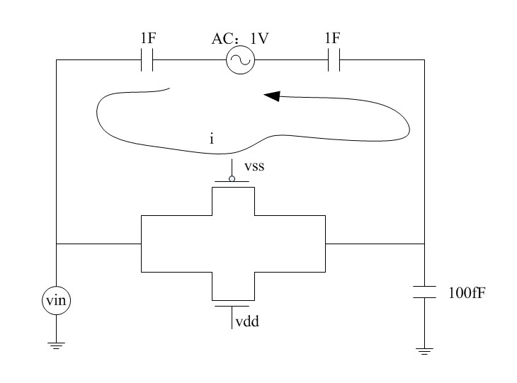
{L22)E9O@_TGBR0KUAA1EES.jpg 我用的是这种跑法,这是针对只当作开关,两端没有压降。给定vin值,在低频做ac仿真,算出来等效电阻并取实部:res=real(1/i)并在低频范围算平均(可以看到低频时候阻抗不变),这时候就能得出在此电压下,开关的等效阻抗了,那么扫vin的输入,就能得到开关电阻对电压的关系,能看到你说的马鞍曲线,但是马鞍曲线对前提是你p,n的阻抗在电压范围内对称。如果前面一个峰没起来,增大p的w值,第二个峰没起来,那就增加n的w。
回复 支持 5 反对 1

使用道具 举报

发表于 2013-12-6 16:38:45 | 显示全部楼层
DC sweep
回复 支持 1 反对 0

使用道具 举报

发表于 2013-12-6 17:41:18 | 显示全部楼层
本帖最后由 fuyibin 于 2013-12-6 17:42 编辑

回复 4# zhanglei890911

在低压下LP工艺哪里来什么马鞍曲线,都是两头最小中间最高,而且是大一个数量级
马鞍曲线只是使用与VDD>>vthn+vthp的case下
不能这么教条的看这个峰那个峰的,还是要理解本质的为好
回复 支持 3 反对 0

使用道具 举报

发表于 2013-12-9 09:02:44 | 显示全部楼层
人家只是想验证一下书上的理论,难道PNmos的传输门没有这种特性?请问你的中间最高又是怎么得来的呢?
回复 支持 反对

使用道具 举报

发表于 2013-12-9 09:04:26 | 显示全部楼层
回复 6# fuyibin


    大数量级。。。。开关导通电阻是个大数量级?
回复 支持 反对

使用道具 举报

发表于 2013-12-9 09:38:21 | 显示全部楼层
回复 6# fuyibin


    当然你的本质理解的很深刻,但是在理解本质之前,我觉得要先把眼睛睁大,看清楚楼主想问的,楼主只是想去验证一下书上的理论,.18工艺下的3.3V高压管我验证可以跑出来马鞍曲线(tt 常温 power3.3V)(280Ohm-440Ohm),或许我仿真的方法不对,但是我只是提出我的个人意见。可能用的工艺比较烂,仿真条件给的比较好,让大神见笑了。
回复 支持 反对

使用道具 举报

发表于 2013-12-11 19:29:44 | 显示全部楼层
好高端。。。。
回复 支持 反对

使用道具 举报

您需要登录后才可以回帖 登录 | 注册

本版积分规则

关闭

站长推荐 上一条 /2 下一条

X 关闭广告

手机版| 小黑屋| 关于我们| 联系我们| 隐私声明| EETOP 创芯网
( 京ICP备:10050787号 京公网安备:11010502037710 ) |网站地图

GMT+8, 2025-10-29 06:46 , Processed in 0.029508 second(s), 6 queries , Gzip On, Redis On.

eetop公众号 创芯大讲堂 创芯人才网
快速回复 返回顶部 返回列表