在线咨询 切换到宽版
eetop公众号 创芯大讲堂 创芯人才网

 找回密码
 注册

手机号码,快捷登录

手机号码,快捷登录

搜全文
查看: 10244|回复: 10

[求助] 交叉耦合放大器疑问

[复制链接]
发表于 2011-9-1 19:31:43 | 显示全部楼层 |阅读模式

马上注册,结交更多好友,享用更多功能,让你轻松玩转社区。

您需要 登录 才可以下载或查看,没有账号?注册

×
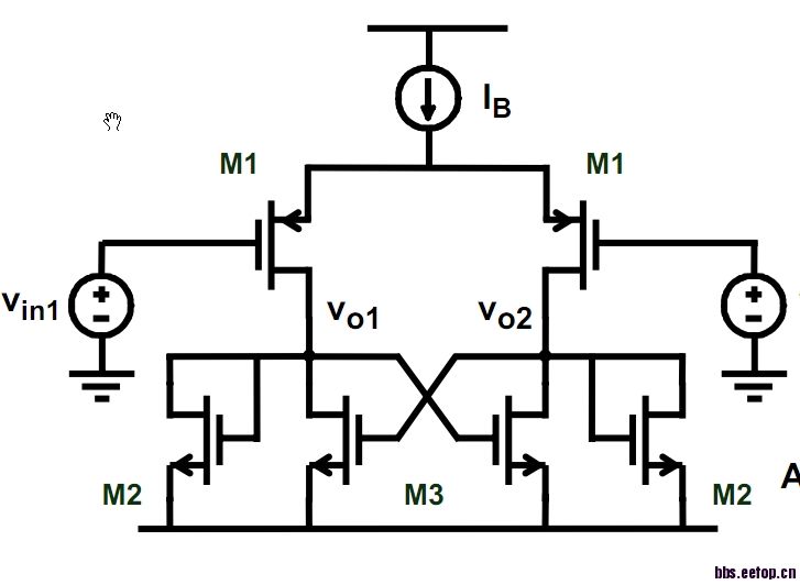
cross couple.jpg 对于上图这种结构能够提供几乎无限的大的负载,这一点我没有疑问,但是为什么这种结构能够运用在宽带放大器中,我比较不理解,为何他的带宽能够比较大,按理来说,gbw=gm/c。看不出此结构在带宽方面相对于一般共源放大器的优点,请大家帮忙解答。
发表于 2012-10-17 19:47:33 | 显示全部楼层
回复 1# superspy007


    楼主,同样的疑惑啊!
回复 支持 反对

使用道具 举报

发表于 2012-10-18 08:25:55 | 显示全部楼层
我的感觉是交叉耦合对形成负电阻,与有源NMOS负载管并联,得到一个无穷大的电阻,这样放大器的输出电阻为(gds1并联∞),因此放大器的放大倍数为gm1/gds1,放大器的主极点为gds1/C,带宽减小了,不知道这样子理解对不对?求高手解释!
回复 支持 反对

使用道具 举报

发表于 2020-8-27 14:55:23 | 显示全部楼层
请问这个电路的相关文章可以分享一下吗,谢谢了
回复 支持 反对

使用道具 举报

发表于 2020-12-12 17:32:09 | 显示全部楼层
请问楼主这个电路主要是应用在什么地方呢?有没有这个电路相关文章呢
回复 支持 反对

使用道具 举报

发表于 2021-1-31 15:59:24 | 显示全部楼层
谢谢
回复 支持 反对

使用道具 举报

发表于 2021-8-2 17:51:38 | 显示全部楼层
有无大佬分析一下
回复 支持 1 反对 0

使用道具 举报

发表于 2021-8-11 10:49:27 | 显示全部楼层
顶一下
回复 支持 反对

使用道具 举报

发表于 2023-5-10 14:34:55 来自手机 | 显示全部楼层
交叉耦合对是负温度系数
回复 支持 反对

使用道具 举报

发表于 2023-9-18 12:03:09 | 显示全部楼层
这个交叉耦合的结构在桑森的模拟集成电路设计精粹第三章73页,是采用电流抵消技术实现高增益。
回复 支持 1 反对 0

使用道具 举报

您需要登录后才可以回帖 登录 | 注册

本版积分规则

关闭

站长推荐 上一条 /1 下一条

手机版| 小黑屋| 关于我们| 联系我们| 隐私声明| EETOP 创芯网
( 京ICP备:10050787号 京公网安备:11010502037710 )

GMT+8, 2025-10-4 04:53 , Processed in 0.018096 second(s), 5 queries , Gzip On, Redis On.

eetop公众号 创芯大讲堂 创芯人才网
快速回复 返回顶部 返回列表