在线咨询 切换到宽版
eetop公众号 创芯大讲堂 创芯人才网

 找回密码
 注册

手机号码,快捷登录

手机号码,快捷登录

搜全文
查看: 403|回复: 7

[求助] 关于UVLO(带隙比较型)的疑问

[复制链接]
发表于 2025-11-19 21:04:55 | 显示全部楼层 |阅读模式

马上注册,结交更多好友,享用更多功能,让你轻松玩转社区。

您需要 登录 才可以下载或查看,没有账号?注册

×
本帖最后由 double洋芋 于 2025-11-19 21:10 编辑

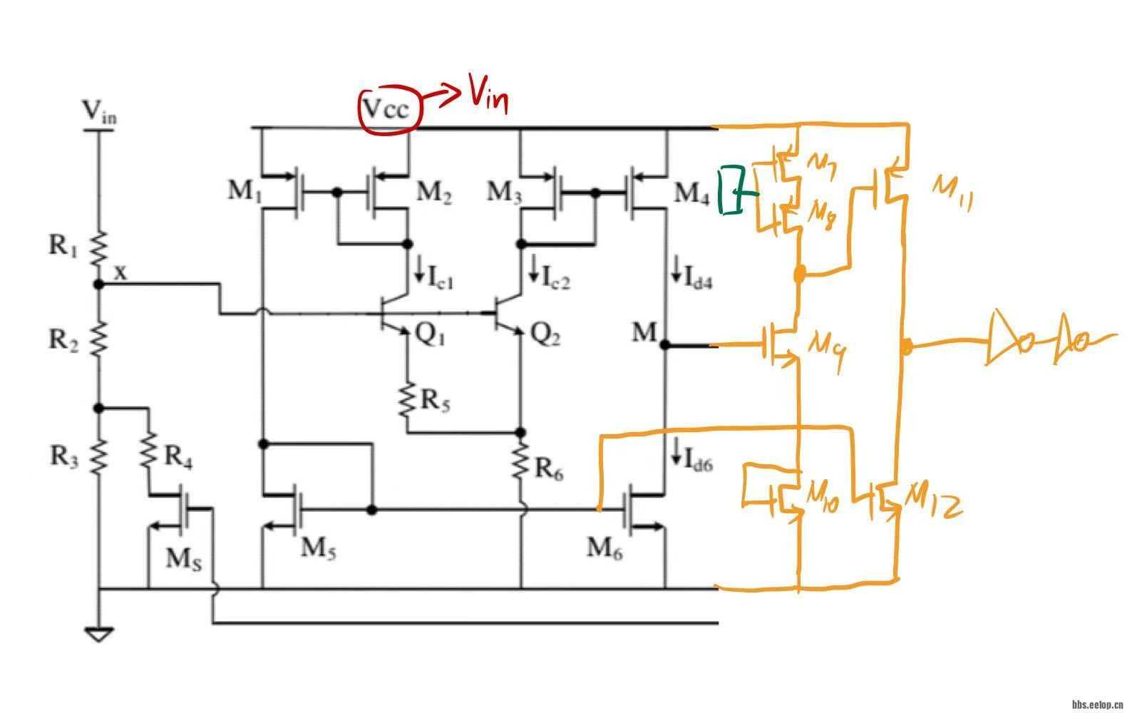
请教各位大佬,图一中黄色方框的电路是什么作用,与不带黄色方框直接反相器输出的结构相比优势在哪里?图二是放大后的具体电路,图二中黄色部分为图一中黄框部分,绿色部分为图一中绿色部分的示意。还有就是图一绿框(放大图见图三)这里为什么要用倒比管?

图一

图一

图二

图二

图三

图三
 楼主| 发表于 2025-11-19 21:24:07 | 显示全部楼层
绿方框内电路如附件,我感觉这个电路是让PUP一直输出高,PDN一直输出低。那么图3中的两个倒比管是为了充当大电阻吗?另外为什么要加一个绿框中这样的模块,而不是直接把倒比管的栅极接地呢
UVLO4.png
回复 支持 反对

使用道具 举报

发表于 2025-11-20 08:25:34 | 显示全部楼层
图4的作用和up主的想法是一样的,在VS为高之后,PUP保持为高,PDN保持为低。这个结构可以防止倒比管子的栅极被ESD或者电源/地上的过冲损坏。这个结构是tie high / tie low ,网上可以找到原理。
黄色部分看起来是把红色框的输出信号做两级放大。
供参考
回复 支持 反对

使用道具 举报

 楼主| 发表于 2025-11-20 09:43:27 | 显示全部楼层


   
mmkyy 发表于 2025-11-20 08:25
图4的作用和up主的想法是一样的,在VS为高之后,PUP保持为高,PDN保持为低。这个结构可以防止倒比管子的栅 ...


原来如此,受教了,谢谢您!
回复 支持 反对

使用道具 举报

 楼主| 发表于 2025-11-20 09:55:21 | 显示全部楼层


   
mmkyy 发表于 2025-11-20 08:25
图4的作用和up主的想法是一样的,在VS为高之后,PUP保持为高,PDN保持为低。这个结构可以防止倒比管子的栅 ...


我还想向您请教一下,图二黄色部分的第一条支路中,M9是放大管,M7和M8是倒比管充当大的负载电阻,M10作二极管连接,相当于小电阻1/gm,那这条支路应该是带源极负反馈的共源极放大器。我的疑惑是为什么这里要用带源极负反馈的形式,单纯的共源极放大不可以吗,因为我认为这里传输的信号是高低电平,而非对信号线性放大,所以带源极负反馈的优点“更好的线性放大”是不需要的,那为什么这里需要这样去做呢?
回复 支持 反对

使用道具 举报

发表于 2025-11-20 11:05:44 | 显示全部楼层


   
double洋芋 发表于 2025-11-20 09:55
我还想向您请教一下,图二黄色部分的第一条支路中,M9是放大管,M7和M8是倒比管充当大的负载电阻,M10作 ...


看起来M10只是为了提供了一个DC电平,使得M点的电压要在更高的电压下,才能将M9打开,可能是考虑将翻转电压平移到电源轨的中间电平附近吧。如果没有M10,M9在M点电压高于阈值电压后就翻转了。供参考
回复 支持 反对

使用道具 举报

 楼主| 发表于 2025-11-20 15:17:22 | 显示全部楼层


   
mmkyy 发表于 2025-11-20 11:05
看起来M10只是为了提供了一个DC电平,使得M点的电压要在更高的电压下,才能将M9打开,可能是考虑将翻转电 ...


好的,谢谢您的回复!
回复 支持 反对

使用道具 举报

发表于 2025-11-20 17:19:19 | 显示全部楼层
MARK,good idea
回复 支持 反对

使用道具 举报

您需要登录后才可以回帖 登录 | 注册

本版积分规则

关闭

站长推荐 上一条 /1 下一条

手机版| 小黑屋| 关于我们| 联系我们| 用户协议&隐私声明| 版权投诉通道| EETOP 创芯网
( 京ICP备:10050787号 京公网安备:11010502037710 ) |网站地图

GMT+8, 2025-12-13 23:09 , Processed in 0.020439 second(s), 4 queries , Gzip On, Redis On.

eetop公众号 创芯大讲堂 创芯人才网
快速回复 返回顶部 返回列表