在线咨询 切换到宽版
eetop公众号 创芯大讲堂 创芯人才网

 找回密码
 注册

手机号码,快捷登录

手机号码,快捷登录

搜全文
查看: 387|回复: 3

[求助] 数电问题--二极管的应用

[复制链接]
发表于 2025-10-20 15:41:54 | 显示全部楼层 |阅读模式

马上注册,结交更多好友,享用更多功能,让你轻松玩转社区。

您需要 登录 才可以下载或查看,没有账号?注册

×
本帖最后由 Darnew 于 2025-10-20 15:46 编辑

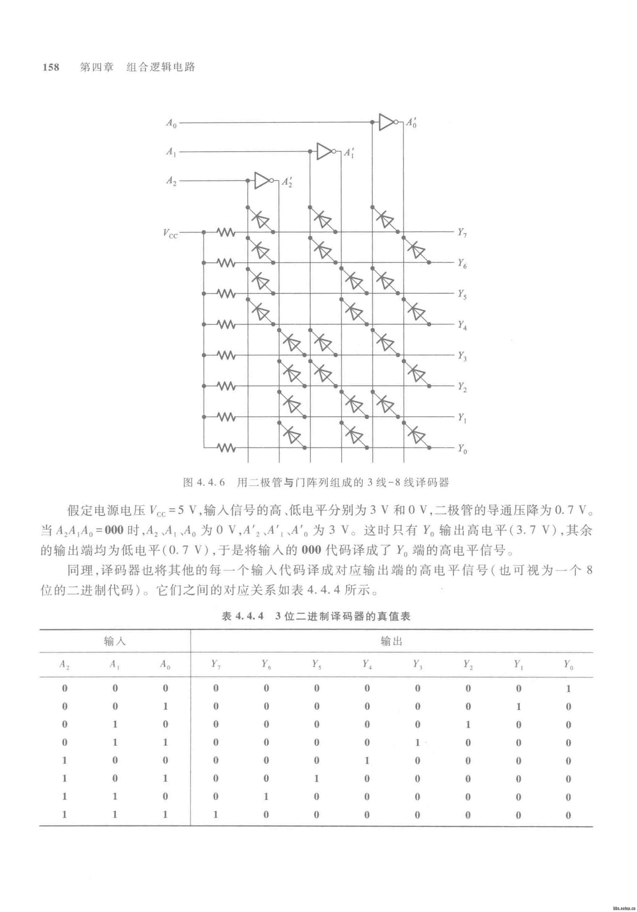
二极管组成与门、或门或者译码器有一些缺点,比如输出的高低电平信号发生偏移、电路的输入阻抗低而输出阻抗高,导致在中规模集成电路中很少采用,但为什么能用到大规模集成电路内部?


页面提取自-数电阎石第6版_页面_1.jpg 页面提取自-数电阎石第6版_页面_2.jpg
发表于 2025-10-20 17:34:55 | 显示全部楼层
很多时候,编书的跟工程实际脱离得很厉害
回复 支持 反对

使用道具 举报

 楼主| 发表于 2025-10-20 18:17:57 | 显示全部楼层


   
zhanweisu33 发表于 2025-10-20 17:34
很多时候,编书的跟工程实际脱离得很厉害


啊 这样吗
回复 支持 反对

使用道具 举报

发表于 2025-10-21 00:32:53 | 显示全部楼层
现在工艺普遍都是用的CMOS,所有的器件都是基于MOSFET衍生出来的,哪还有什么二极管三极管,编的教材基本都是二十年前的了,脱离实际很多年,看看就行,不要太信以为真
回复 支持 2 反对 0

使用道具 举报

您需要登录后才可以回帖 登录 | 注册

本版积分规则

关闭

站长推荐 上一条 /1 下一条

X

手机版| 小黑屋| 关于我们| 联系我们| 用户协议&隐私声明| 版权投诉通道| EETOP 创芯网
( 京ICP备:10050787号 京公网安备:11010502037710 ) |网站地图

GMT+8, 2025-12-26 12:23 , Processed in 0.016352 second(s), 4 queries , Gzip On, Redis On.

eetop公众号 创芯大讲堂 创芯人才网
快速回复 返回顶部 返回列表