在线咨询 切换到宽版
eetop公众号 创芯大讲堂 创芯人才网

 找回密码
 注册

手机号码,快捷登录

手机号码,快捷登录

搜帖子
查看: 2442|回复: 4

[求助] 双D触发器组成的2分频器,图中上面的一种能出二分频信号,下面的出不了信号

[复制链接]
发表于 2022-4-16 08:51:12 | 显示全部楼层 |阅读模式

马上注册,结交更多好友,享用更多功能,让你轻松玩转社区。

您需要 登录 才可以下载或查看,没有账号?注册

×
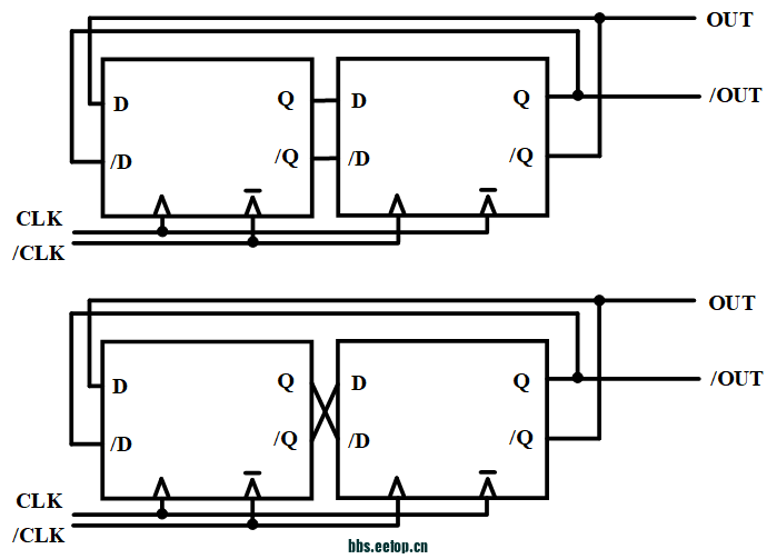
最近在做二分频器,由两个D触发器组成,拓扑结构有下图两种,上面的结构能正常工作,下面的不能,我想着D触发器应该是对称的才是,请问该如何分析呢?
image.png
image.png
 楼主| 发表于 2022-4-16 09:00:10 | 显示全部楼层
OUT /OUT那张图是多放的
回复 支持 反对

使用道具 举报

发表于 2022-4-16 11:03:29 | 显示全部楼层
没有reset吗,2分频不应该1个dff吗,2个就浪费功耗了,你这是为了凑专利“创造”出的电路吗?。左边记作1,右边记作2。则第一张图,D1=(r)~Q2,D2=(f)Q1, 假设reset后先见clk上升沿,则Q1Q2状态转移为00->(r)10->(f)11->(r)01->(f)00->r(10)循环,OUT=~Q2的状态转移为1->(r)1->(f)0->(r)0->(f)1->r(1)循环,即OUT跳变沿在CLK下降沿处。第二张图,D1=(r)~Q2, D2=(f)~Q1。假设reset后先见时钟上升沿,Q1Q2状态转移为00->(r)10->(f)10->(r)10->(f)10死循环了。至于reset后先见时钟下降沿应该类似,可以自己分析一下。

点评

感谢!这种状态转移的分析方式挺好用的  发表于 2022-4-17 14:28
回复 支持 1 反对 0

使用道具 举报

 楼主| 发表于 2022-4-17 14:49:33 | 显示全部楼层


   
nanke 发表于 2022-4-16 11:03
没有reset吗,2分频不应该1个dff吗,2个就浪费功耗了,你这是为了凑专利“创造”出的电路吗?。左边记作1, ...


这个dff的输出加了记忆元件,默认D和/D就是反相的,所以不需要进行初始化
回复 支持 反对

使用道具 举报

您需要登录后才可以回帖 登录 | 注册

本版积分规则

关闭

站长推荐 上一条 /1 下一条

手机版| 小黑屋| 关于我们| 联系我们| 用户协议&隐私声明| 版权投诉通道| EETOP 创芯网
( 京ICP备:10050787号 京公网安备:11010502037710 ) |网站地图

GMT+8, 2025-12-30 23:03 , Processed in 0.024628 second(s), 6 queries , Gzip On, Redis On.

eetop公众号 创芯大讲堂 创芯人才网
快速回复 返回顶部 返回列表