在线咨询 切换到宽版
eetop公众号 创芯大讲堂 创芯人才网

 找回密码
 注册

手机号码,快捷登录

手机号码,快捷登录

搜全文
查看: 1984|回复: 5

[讨论] TI的这两种74194移存器结构的区别在哪

[复制链接]
发表于 2019-3-26 15:02:34 | 显示全部楼层 |阅读模式

马上注册,结交更多好友,享用更多功能,让你轻松玩转社区。

您需要 登录 才可以下载或查看,没有账号?注册

×
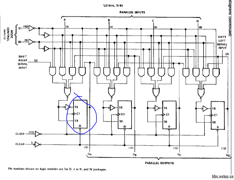
第一种明显需要的管子数会少很多,不知道这两种的区别在哪里,第一个写着positive logic 第二个是continued,不太理解还望赐教
741941.png 741942.png
 楼主| 发表于 2019-3-26 15:55:16 | 显示全部楼层
UPUPUP
回复 支持 反对

使用道具 举报

 楼主| 发表于 2019-3-26 20:06:45 | 显示全部楼层
upupup
回复 支持 反对

使用道具 举报

发表于 2019-3-26 21:17:51 | 显示全部楼层
这两个逻辑有点不一样啊
回复 支持 反对

使用道具 举报

 楼主| 发表于 2019-3-28 09:46:16 | 显示全部楼层


   
zhongyan 发表于 2019-3-26 21:17
这两个逻辑有点不一样啊


都是移位寄存器,我唯一能看出的不同就是,第一个是在s1s0置零时clk不会触发输出,输出保持更稳定,第二个s1s0跟clk无关,clk每次来临都会触发一次触发器输出,但其实输出依然是保持状态。

我疑惑的是,为什么很多大公司都用第二种结构,只有TI两种都有。第一种哪里不好呢?明明减少很多管子
回复 支持 反对

使用道具 举报

发表于 2025-10-9 15:57:50 | 显示全部楼层
请教一下博主这个结构是多路选择器吗?
捕获.PNG
回复 支持 反对

使用道具 举报

您需要登录后才可以回帖 登录 | 注册

本版积分规则

关闭

站长推荐 上一条 /1 下一条


手机版| 小黑屋| 关于我们| 联系我们| 隐私声明| EETOP 创芯网
( 京ICP备:10050787号 京公网安备:11010502037710 ) |网站地图

GMT+8, 2025-10-19 00:54 , Processed in 0.015054 second(s), 4 queries , Gzip On, Redis On.

eetop公众号 创芯大讲堂 创芯人才网
快速回复 返回顶部 返回列表