在线咨询 切换到宽版
eetop公众号 创芯大讲堂 创芯人才网

 找回密码
 注册

手机号码,快捷登录

手机号码,快捷登录

搜全文
查看: 2770|回复: 4

[求助] 关于电路

[复制链接]
发表于 2022-7-3 22:21:19 | 显示全部楼层 |阅读模式

马上注册,结交更多好友,享用更多功能,让你轻松玩转社区。

您需要 登录 才可以下载或查看,没有账号?注册

×
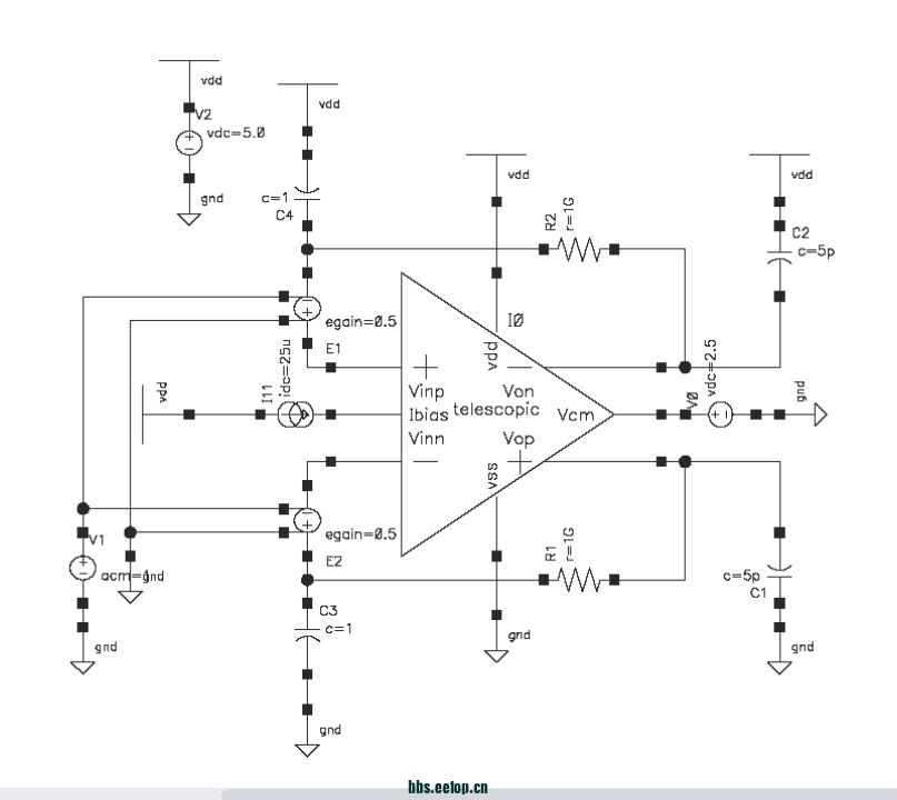
1.PNG 想问下R1和C3的作用是用来干嘛的,是增加环路增益么?
发表于 2022-7-4 08:43:04 | 显示全部楼层
R1和C3是用来处理小信号的。R1很大,阻挡输出端的小信号流入输入端;C1很大,将输出端流入输入端的小信号过滤掉
回复 支持 反对

使用道具 举报

发表于 2022-7-4 09:34:19 | 显示全部楼层
R1也可以换成大电感,隔交通直。
回复 支持 反对

使用道具 举报

 楼主| 发表于 2022-7-4 10:24:34 | 显示全部楼层


   
wrss20080407 发表于 2022-7-4 08:43
R1和C3是用来处理小信号的。R1很大,阻挡输出端的小信号流入输入端;C1很大,将输出端流入输入端的小信号过 ...


那如果不接这个电阻和电容,小信号电流不就直接从负载端流走了么
回复 支持 反对

使用道具 举报

发表于 2022-7-4 10:29:16 | 显示全部楼层


   
lyn960923 发表于 2022-7-4 10:24
那如果不接这个电阻和电容,小信号电流不就直接从负载端流走了么


小信号就应该流到负载啊。具体到你的电路,小信号应该全部流到5p的电容上
回复 支持 反对

使用道具 举报

您需要登录后才可以回帖 登录 | 注册

本版积分规则

关闭

站长推荐 上一条 /2 下一条

X 关闭广告

手机版| 小黑屋| 关于我们| 联系我们| 隐私声明| EETOP 创芯网
( 京ICP备:10050787号 京公网安备:11010502037710 ) |网站地图

GMT+8, 2025-10-24 01:49 , Processed in 0.014297 second(s), 4 queries , Gzip On, Redis On.

eetop公众号 创芯大讲堂 创芯人才网
快速回复 返回顶部 返回列表