在线咨询 切换到宽版
eetop公众号 创芯大讲堂 创芯人才网

 找回密码
 注册

手机号码,快捷登录

手机号码,快捷登录

搜全文
查看: 3907|回复: 9

[求助] 带隙基准psrr提升

[复制链接]
发表于 2021-2-27 22:14:50 | 显示全部楼层 |阅读模式

马上注册,结交更多好友,享用更多功能,让你轻松玩转社区。

您需要 登录 才可以下载或查看,没有账号?注册

×
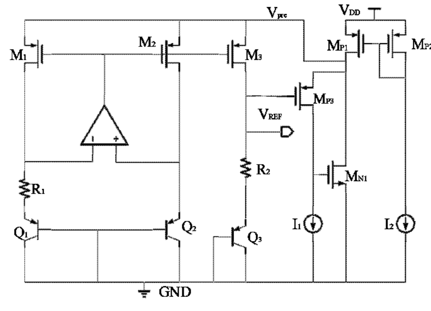
请教一下各位大哥,这个电路用负反馈提高psrr是怎么实现的呢,哪位大哥有更好的提升psrr的方法吗,求教了,,谢谢
0M`14G{{1C}0({2CL}B~SZB.png
发表于 2021-2-27 22:24:12 | 显示全部楼层
这个结构的PSRR就挺好啊。Vpre你就当作一个LDO输出看待就好了。
回复 支持 反对

使用道具 举报

 楼主| 发表于 2021-2-27 23:06:09 | 显示全部楼层


   
yylei 发表于 2021-2-27 22:24
这个结构的PSRR就挺好啊。Vpre你就当作一个LDO输出看待就好了。


没看懂,大哥,能帮忙讲讲吗,原理是什么
回复 支持 反对

使用道具 举报

发表于 2021-2-28 14:47:40 | 显示全部楼层
插个眼,通过提高输出级PMOS的小信号电阻提高PSRR+。
回复 支持 反对

使用道具 举报

发表于 2021-3-1 09:10:04 | 显示全部楼层
首先你这个用到了Vpre 已经有一层的电源抑制的效果了,然后用负反馈来降低Vref和Vpre之间的输出阻抗,对psr来说应该会有用
回复 支持 反对

使用道具 举报

发表于 2021-3-1 11:11:46 | 显示全部楼层


   
xuwenwei 发表于 2021-3-1 09:10
首先你这个用到了Vpre 已经有一层的电源抑制的效果了,然后用负反馈来降低Vref和Vpre之间的输出阻抗,对psr ...


这个负反馈回路是怎么工作的,能不能麻烦您讲解一下,谢谢
回复 支持 反对

使用道具 举报

发表于 2021-3-1 13:04:41 | 显示全部楼层
右边那块是个supper source follower,产生Vreg=Vref+Vgs,p3
回复 支持 反对

使用道具 举报

发表于 2021-3-1 13:57:31 | 显示全部楼层
本帖最后由 peterlin2010 于 2021-3-1 13:59 编辑


一般直接接会用cascode pmos  .. improve PSRR


你不是RE_REGULATOR  
  所以PSRR 变好



回复 支持 反对

使用道具 举报

发表于 2021-3-1 15:50:08 | 显示全部楼层


   
失忆x 发表于 2021-3-1 11:11
这个负反馈回路是怎么工作的,能不能麻烦您讲解一下,谢谢


楼下大神说了 这个结构是super SF,你可以搜搜,简单点就是源跟随的架构,不过增强了
回复 支持 反对

使用道具 举报

发表于 2024-6-14 16:21:11 | 显示全部楼层
你好,想问一下这个图出自哪里,麻烦了,谢谢
回复 支持 反对

使用道具 举报

您需要登录后才可以回帖 登录 | 注册

本版积分规则

关闭

站长推荐 上一条 /1 下一条

手机版| 小黑屋| 关于我们| 联系我们| 隐私声明| EETOP 创芯网
( 京ICP备:10050787号 京公网安备:11010502037710 )

GMT+8, 2025-10-4 11:20 , Processed in 0.046067 second(s), 5 queries , Gzip On, Redis On.

eetop公众号 创芯大讲堂 创芯人才网
快速回复 返回顶部 返回列表