在线咨询 切换到宽版
eetop公众号 创芯大讲堂 创芯人才网

 找回密码
 注册

手机号码,快捷登录

手机号码,快捷登录

搜帖子
查看: 75|回复: 0

[求助] 求助全差分运放的仿真

[复制链接]
发表于 6 小时前 | 显示全部楼层 |阅读模式

马上注册,结交更多好友,享用更多功能,让你轻松玩转社区。

您需要 登录 才可以下载或查看,没有账号?注册

×
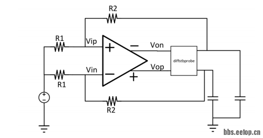
各位大佬我想问一下啊,如果说我的全差分运是用做RC积分器的,要对它进行闭环仿真,如下图所示,那我接成闭环的电阻R1和R2是怎么取值的啊
屏幕截图 2025-12-29 163533.png
屏幕截图 2025-12-29 163206.png
您需要登录后才可以回帖 登录 | 注册

本版积分规则

关闭

站长推荐 上一条 /1 下一条

手机版| 小黑屋| 关于我们| 联系我们| 用户协议&隐私声明| 版权投诉通道| EETOP 创芯网
( 京ICP备:10050787号 京公网安备:11010502037710 ) |网站地图

GMT+8, 2025-12-29 23:22 , Processed in 0.013613 second(s), 4 queries , Gzip On, Redis On.

eetop公众号 创芯大讲堂 创芯人才网
快速回复 返回顶部 返回列表