在线咨询 切换到宽版
eetop公众号 创芯大讲堂 创芯人才网

 找回密码
 注册

手机号码,快捷登录

手机号码,快捷登录

搜全文
查看: 525|回复: 13

[求助] RC张弛振荡器如何仿真环路增益和相位呢?

[复制链接]
发表于 2025-10-29 09:46:34 | 显示全部楼层 |阅读模式

马上注册,结交更多好友,享用更多功能,让你轻松玩转社区。

您需要 登录 才可以下载或查看,没有账号?注册

×
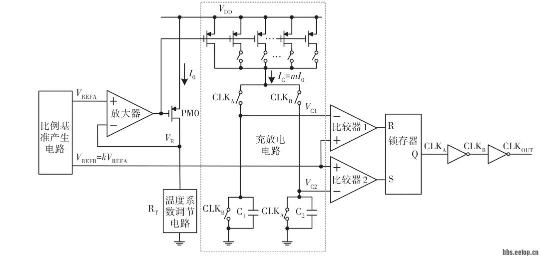
振荡器满足振荡必须满足巴克豪森准则,那么RC张弛振荡器的环路是哪里?充放电也有反馈环路吗?如果要用virtuoso仿的话要怎么去测相位和增益呢?
RC张弛振荡器电路图.png
 楼主| 发表于 2025-10-29 10:16:22 | 显示全部楼层


   
nanke 发表于 2025-10-29 10:07
振荡器不需要。只有左边的基准和V2I需要仿真环路。


主要是讨论的时候组长有问道,是不是所有振荡器起振都要满足巴克豪森准则?如果都满足的话,RC的这种环路在哪里,如何去仿真?
回复 支持 反对

使用道具 举报

 楼主| 发表于 2025-10-29 11:16:48 | 显示全部楼层


   
nanke 发表于 2025-10-29 10:29
我这里也说不清楚,只有线性电路或者近似线性的电路才能利用这一个准则,我是完全不管这个准则的,没啥用 ...


好吧,谢谢佬
回复 支持 反对

使用道具 举报

 楼主| 发表于 2025-10-29 16:05:55 | 显示全部楼层


   
smsir123 发表于 2025-10-29 15:23
这种振荡器从来没管过环路,可能是因为这种频率比较低。。倒是fll会用pstb仿。 ...


主要是这种也不是反馈型振荡器,我连回路在哪儿都没法确定更别说如何去仿真了
回复 支持 反对

使用道具 举报

 楼主| 发表于 2025-10-29 16:10:21 | 显示全部楼层


   
迷路大脸猫 发表于 2025-10-29 11:38
有反馈,它的反馈环路增益表达式,零极点,带宽都很容易计算。
满足,你的pss能收敛的话,可以尝试在两个比 ...


感谢解答!也就是说要在我这个示意图中两个比较器的负输入端(VC1和VC2)加入diffprobe吗?我之前判断环路在RS触发器形成来着,那可能还是理解不到位
回复 支持 反对

使用道具 举报

 楼主| 发表于 2025-10-30 09:32:52 | 显示全部楼层


   
sunjimmy 发表于 2025-10-29 23:17
可以分享一下 附圖 的論文嗎 ?
謝謝


RC—一种高精度的RC振荡器电路_张亮.pdf (1.87 MB , 下载次数: 2 )
回复 支持 反对

使用道具 举报

 楼主| 发表于 2025-10-30 18:15:39 | 显示全部楼层


   
迷路大脸猫 发表于 2025-10-29 11:38
有反馈,它的反馈环路增益表达式,零极点,带宽都很容易计算。
满足,你的pss能收敛的话,可以尝试在两个比 ...


请教一下佬,我跑pstb仿真,在比较器差分输入端加入diffstbprobe是图中这样吗? diffstbprobe.png 但是我仿真一个16MHz的张弛振荡器,这个相位和增益都是14MHz左右,这怎么解释呢? pstb截图.png 是仿真误差导致的还是其他因素导致的也说不好啊
回复 支持 反对

使用道具 举报

 楼主| 发表于 2025-10-31 10:07:20 | 显示全部楼层


   
迷路大脸猫 发表于 2025-10-30 19:14
提升仿真精度看看,比如点数多一点,谐波数多一点


pstb2.png 我提升过仿真精度,看过,但没什么区别,频率还是有偏差,不知道怎么解释
回复 支持 反对

使用道具 举报

您需要登录后才可以回帖 登录 | 注册

本版积分规则

关闭

站长推荐 上一条 /2 下一条

手机版| 小黑屋| 关于我们| 联系我们| 隐私声明| EETOP 创芯网
( 京ICP备:10050787号 京公网安备:11010502037710 ) |网站地图

GMT+8, 2025-11-8 00:01 , Processed in 0.021376 second(s), 6 queries , Gzip On, Redis On.

eetop公众号 创芯大讲堂 创芯人才网
快速回复 返回顶部 返回列表