在线咨询 切换到宽版
eetop公众号 创芯大讲堂 创芯人才网

 找回密码
 注册

手机号码,快捷登录

手机号码,快捷登录

搜全文
查看: 59|回复: 0

[求助] 分频器设计

[复制链接]
发表于 昨天 14:29 | 显示全部楼层 |阅读模式
悬赏200资产未解决
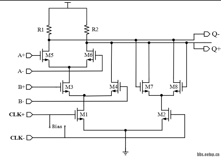
求问,用集成与门的CMl结构做2/3分频器,ff工艺角下27摄氏度,125摄氏度,tt工艺角下125摄氏度三分频异常;其中除了ff125度都不自谐振了,tt125,ff27的自谐振频率和其他正常工作的工艺角相同。但也无法正常三分频。如果是电流过小的话应该是SS工艺角下无法正常工作吧。ff工艺角,27摄氏度应该电流比较大,正常工作才对。这三个工艺角无法工作属实不知道有什么可能的理由。请问大家有知道的吗?TSMC40的工艺

集成与门的cml锁存器

集成与门的cml锁存器

2/3分频器拓扑

2/3分频器拓扑
您需要登录后才可以回帖 登录 | 注册

本版积分规则

关闭

站长推荐 上一条 /1 下一条

手机版| 小黑屋| 关于我们| 联系我们| 用户协议&隐私声明| 版权投诉通道| EETOP 创芯网
( 京ICP备:10050787号 京公网安备:11010502037710 ) |网站地图

GMT+8, 2025-12-14 05:56 , Processed in 0.012611 second(s), 5 queries , Gzip On, Redis On.

eetop公众号 创芯大讲堂 创芯人才网
快速回复 返回顶部 返回列表