在线咨询 切换到宽版
eetop公众号 创芯大讲堂 创芯人才网

 找回密码
 注册

手机号码,快捷登录

手机号码,快捷登录

搜全文
查看: 272|回复: 1

[求助] VCO架构选取求助

[复制链接]
发表于 2025-12-4 11:27:31 | 显示全部楼层 |阅读模式

马上注册,结交更多好友,享用更多功能,让你轻松玩转社区。

您需要 登录 才可以下载或查看,没有账号?注册

×
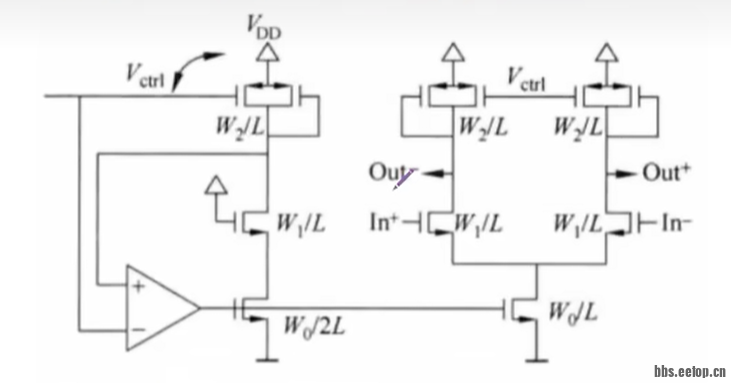
请问商用200M~400M的PLL,可以选取下面这两种VCO吗?这二者有什么优劣呢?求教!!!

VCO1.png
VCO2.png
发表于 2025-12-14 22:40:52 | 显示全部楼层
可以仿真试一试,我更加喜欢第二种, 信号摆幅可能大一些...
回复 支持 反对

使用道具 举报

您需要登录后才可以回帖 登录 | 注册

本版积分规则

关闭

站长推荐 上一条 /1 下一条

手机版| 小黑屋| 关于我们| 联系我们| 用户协议&隐私声明| 版权投诉通道| EETOP 创芯网
( 京ICP备:10050787号 京公网安备:11010502037710 ) |网站地图

GMT+8, 2025-12-28 08:26 , Processed in 0.012656 second(s), 4 queries , Gzip On, Redis On.

eetop公众号 创芯大讲堂 创芯人才网
快速回复 返回顶部 返回列表