在线咨询 切换到宽版
eetop公众号 创芯大讲堂 创芯人才网

 找回密码
 注册

手机号码,快捷登录

手机号码,快捷登录

搜全文
查看: 566|回复: 9

[求助] 電源電壓0.9V可行的bandgap電路

[复制链接]
发表于 2025-10-28 13:18:57 | 显示全部楼层 |阅读模式

马上注册,结交更多好友,享用更多功能,让你轻松玩转社区。

您需要 登录 才可以下载或查看,没有账号?注册

×
本帖最后由 ck1739 于 2025-11-6 14:54 编辑

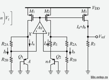
前輩好,我目前在做bandgap,但是電源電壓只有0.9V,參考的電路是圖一,進入低溫的時候比如0度,bjt就會off了,請問還有其他電路可以嘗試嗎?

圖一 資料來源nksunmoon

圖一 資料來源nksunmoon
发表于 2025-10-31 16:53:00 | 显示全部楼层
图呢
回复 支持 反对

使用道具 举报

发表于 2025-11-3 09:02:04 | 显示全部楼层
你的图呢? 先说说你的工艺平台,给出nmos pmos  的Vth,0.9V是最低电压还是要波动个10%,这些条件都要考虑进去;
回复 支持 反对

使用道具 举报

发表于 2025-11-3 09:53:17 | 显示全部楼层
带隙基准好像没见过低于1V的,一个BJT就需要0.7V。可能需要变成cmos基准了。
回复 支持 反对

使用道具 举报

 楼主| 发表于 2025-11-6 15:05:17 | 显示全部楼层
不好意思 圖已經附上! 使用的是28nm,nmos vth在0.43V左右,pmos vth在0.46V左右,盡量還要波動10%,但是這個架構0.81V肯定是沒辦法了,1V以下確實很少,之前看論文有人使用28nm,1V的電源電壓做,所以想說是不是可以試試看
回复 支持 反对

使用道具 举报

 楼主| 发表于 2025-11-6 15:10:49 | 显示全部楼层
目前還有問題想問是,
1.如果我只需要0溫度係數的電流就好,不需要電壓,一樣可以用bandgap的方式做嗎?
2.如果設定流過M1,M2的電流是1uA,那調整R1,R2的比例真的可以實現嗎?因為我想要一個10uA的電流,但是調整R1,R2的比例一直沒辦法調到0溫度電流,一直調到25uA,電流才呈現拋物線
回复 支持 反对

使用道具 举报

发表于 2025-11-6 16:08:40 | 显示全部楼层


   
ck1739 发表于 2025-11-6 15:10
目前還有問題想問是,
1.如果我只需要0溫度係數的電流就好,不需要電壓,一樣可以用bandgap的方式做嗎?
2. ...


1.可以,电阻的温度系数本身就比较小

2.不考虑电源电压的限制,nA都可以做,1uA不是问题。
回复 支持 反对

使用道具 举报

 楼主| 发表于 2025-11-6 16:45:23 | 显示全部楼层


   
nanke 发表于 2025-11-6 16:08
1.可以,电阻的温度系数本身就比较小

2.不考虑电源电压的限制,nA都可以做,1uA不是问题。


理解!那0溫度係數是任何電流都可以實現嗎?如果做1uA的話,電阻是M歐姆等級,不知道會不會太大
回复 支持 反对

使用道具 举报

发表于 2025-11-6 17:04:37 | 显示全部楼层


   
ck1739 发表于 2025-11-6 16:45
理解!那0溫度係數是任何電流都可以實現嗎?如果做1uA的話,電阻是M歐姆等級,不知道會不會太大
...


可以的,零温不是完全没温度系数,还是会有的。
基准电压可以pvt variation都小,基准电流随工艺变化还是挺大的。
电阻大正常,为了低功耗,几十Mohm的电阻都会有。
如果要低压低功耗,可以尝试cmos基准。

回复 支持 反对

使用道具 举报

 楼主| 发表于 2025-11-6 17:12:55 | 显示全部楼层
本帖最后由 ck1739 于 2025-11-6 17:16 编辑

nanke 发表于 2025-11-6 17:04
可以的,零温不是完全没温度系数,还是会有的。
基准电压可以pvt variation都小,基准电流随工艺变化还是 ...

工藝變化真的蠻大的,當時用0.9V,tt,0~75度,電流是25uA,換成ff時,電流是29uA,ss是21uA

前輩您說的CMOS基准是constant-gm電路嗎?四個mos和一個電阻那個電路嗎
回复 支持 反对

使用道具 举报

您需要登录后才可以回帖 登录 | 注册

本版积分规则

关闭

站长推荐 上一条 /1 下一条

手机版| 小黑屋| 关于我们| 联系我们| 用户协议&隐私声明| 版权投诉通道| EETOP 创芯网
( 京ICP备:10050787号 京公网安备:11010502037710 ) |网站地图

GMT+8, 2025-12-13 20:45 , Processed in 0.020723 second(s), 4 queries , Gzip On, Redis On.

eetop公众号 创芯大讲堂 创芯人才网
快速回复 返回顶部 返回列表