在线咨询 切换到宽版
eetop公众号 创芯大讲堂 创芯人才网

 找回密码
 注册

手机号码,快捷登录

手机号码,快捷登录

搜全文
查看: 795|回复: 12

[求助] 基准源的psrr用了psrr提高电路后不升反降??

[复制链接]
发表于 2025-10-14 22:28:02 | 显示全部楼层 |阅读模式

马上注册,结交更多好友,享用更多功能,让你轻松玩转社区。

您需要 登录 才可以下载或查看,没有账号?注册

×
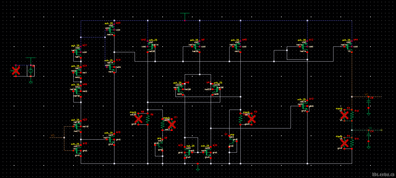
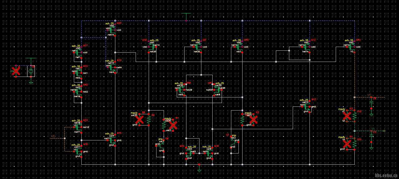
各位大佬,之前设计的基准源我在运放输出后面接了一个psrr增强电路,目的是使运放的psrr(Add)为1,从而提高基准源的psrr,但是仿真结果显示psrr还变的更差了(红色线为基准源的psrr),我看过运放输出端的电压,也完全能够跟随电源电压的波动变化,基本上能使Add为1(仿真结果中的黄色线),按理来说psrr应该会更高,但我找了好久都没找到原因,肯定各位大佬指点一下


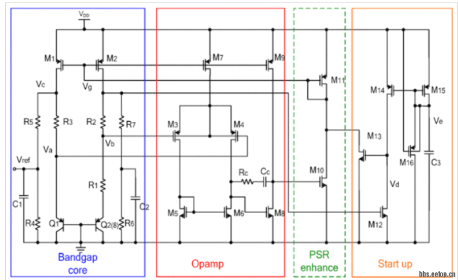
psrr增强电路如图3绿色方框内的电路所示。
屏幕截图 2025-10-14 221629.png
屏幕截图 2025-10-14 221709.png
屏幕截图 2025-10-14 222432.png
发表于 2025-10-15 09:54:46 | 显示全部楼层
你M12、13可以删掉,起到负作用
回复 支持 反对

使用道具 举报

 楼主| 发表于 2025-10-15 10:00:40 | 显示全部楼层


   
JiahuiShen 发表于 2025-10-15 09:54
你M12、13可以删掉,起到负作用


我是参考论文里的方法,M12,M13是psr提升电路,就是下面绿色方框里面的电路。
屏幕截图 2025-10-14 222432.png

回复 支持 反对

使用道具 举报

发表于 2025-10-15 10:28:20 | 显示全部楼层


   
chenhao 发表于 2025-10-15 10:00
我是参考论文里的方法,M12,M13是psr提升电路,就是下面绿色方框里面的电路。


运放的输入输出管子类型你俩都没对上呢
回复 支持 反对

使用道具 举报

 楼主| 发表于 2025-10-15 10:41:46 | 显示全部楼层


   
JiahuiShen 发表于 2025-10-15 10:28
运放的输入输出管子类型你俩都没对上呢


改了一版,psrr更差了,管子在直流时均在饱和区
电路图和结果如下:



屏幕截图 2025-10-15 103851.png
屏幕截图 2025-10-15 103951.png
回复 支持 反对

使用道具 举报

发表于 2025-10-15 10:45:21 | 显示全部楼层
我的天,你怎么能够随便乱组合电路。抄电路别只抄一半。你得计算下psrr公式。
回复 支持 反对

使用道具 举报

 楼主| 发表于 2025-10-15 10:58:51 | 显示全部楼层


   
nanke 发表于 2025-10-15 10:45
我的天,你怎么能够随便乱组合电路。抄电路别只抄一半。你得计算下psrr公式。 ...


小白一枚,我是见好多论文都是用的这个方法,psrr我也算过,确实是与运放的psrr(Add)成反比,所以我才这样接的(后来运放也换成pmos输入的了,但结果仍然不理想),但不知道为啥与论文里的结果不符,难道是因为论文里用的是二级运放,而我是单级的吗?求各位前辈指点/(ㄒoㄒ)/~~
屏幕截图 2025-10-15 105416.png
回复 支持 反对

使用道具 举报

发表于 2025-10-15 10:58:57 | 显示全部楼层
你这跟论文的也不一样啊,论文运放是P管输入,你是N管输入。论文的运放输出端可不跟随VDD
回复 支持 反对

使用道具 举报

 楼主| 发表于 2025-10-15 11:00:34 | 显示全部楼层


   
迷路大脸猫 发表于 2025-10-15 10:58
你这跟论文的也不一样啊,论文运放是P管输入,你是N管输入。论文的运放输出端可不跟随VDD ...


已经换成p管输入了,但还是和论文不一样
屏幕截图 2025-10-15 103851.png
回复 支持 反对

使用道具 举报

发表于 2025-10-15 15:17:30 | 显示全部楼层
看看你的VG点的PSR是否是1
回复 支持 反对

使用道具 举报

您需要登录后才可以回帖 登录 | 注册

本版积分规则

关闭

站长推荐 上一条 /1 下一条

手机版| 小黑屋| 关于我们| 联系我们| 隐私声明| EETOP 创芯网
( 京ICP备:10050787号 京公网安备:11010502037710 ) |网站地图

GMT+8, 2025-12-2 13:53 , Processed in 0.021991 second(s), 5 queries , Gzip On, Redis On.

eetop公众号 创芯大讲堂 创芯人才网
快速回复 返回顶部 返回列表