在线咨询 切换到宽版
eetop公众号 创芯大讲堂 创芯人才网

 找回密码
 注册

手机号码,快捷登录

手机号码,快捷登录

搜全文
查看: 565|回复: 2

[讨论] 比较器失调电压的降低

[复制链接]
发表于 2025-10-14 17:56:26 | 显示全部楼层 |阅读模式

马上注册,结交更多好友,享用更多功能,让你轻松玩转社区。

您需要 登录 才可以下载或查看,没有账号?注册

×
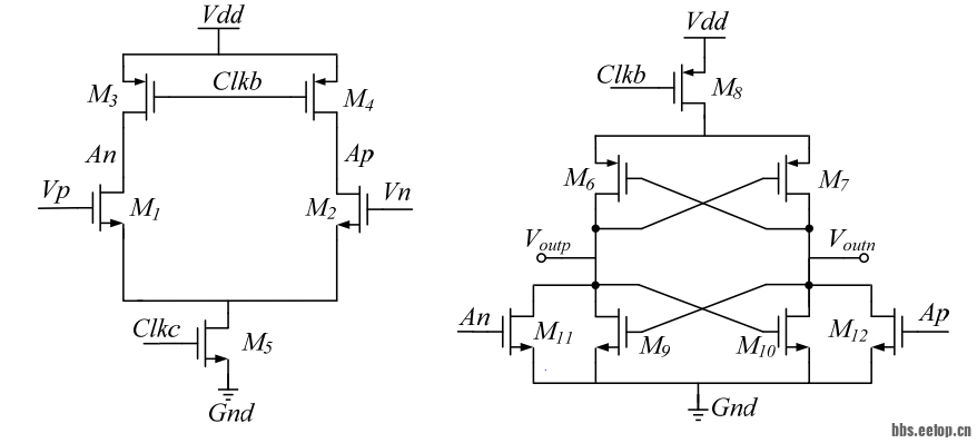
各位坛友,最近小弟在搞一个比较器,我按照论坛中帖子的步骤搭建了失调电压测试平台,这是电路图,已经仿真以后对应的失调来源总结和论文里面的电路,我就说按照失调来源就是增大他们管子的尺寸嘛,进行相应的调节,但是条例好几天这个失调电压的均值一直是负十几mV,方差一直都是7mV以上,但是这个结构我看论文里面说不加校准可以达到0.9mV,就是我想问一下这种结构的失调电压的调节是有什么诀窍嘛?我输入对管尺寸现在都6u/500n了,有必要继续增大输入对管嘛?关键我增大对管效果也不明显,还望广大坛友给点建议,小弟在这谢过了!
e626f905-e291-431e-a48f-998b3fc9566b.png
ab1c01a4-1245-4975-8ade-52c36536fc67.png
0a006354-0a32-4ffa-97d5-772a8f359e83.png
468554a7-d894-42db-ae75-b4577c631705.png
 楼主| 发表于 2025-10-14 18:03:40 | 显示全部楼层
还有一点就是想请教一下各位坛友我这个按照论坛里面的大佬的步骤来的但是我这个结果图咋这么奇怪呢?https://bbs.eetop.cn/thread-895947-2-1.html我参照的是这个帖子还望各位指点一哈,谢谢
1832180d-eb49-4c95-aaf9-8a1cea18db4e.png
回复 支持 反对

使用道具 举报

发表于 2025-10-28 21:03:07 | 显示全部楼层
请问你图片中的论文是哪篇呀,我最近也在学这个
回复 支持 反对

使用道具 举报

您需要登录后才可以回帖 登录 | 注册

本版积分规则

关闭

站长推荐 上一条 /1 下一条

手机版| 小黑屋| 关于我们| 联系我们| 用户协议&隐私声明| 版权投诉通道| EETOP 创芯网
( 京ICP备:10050787号 京公网安备:11010502037710 ) |网站地图

GMT+8, 2025-12-16 02:40 , Processed in 0.013551 second(s), 5 queries , Gzip On, Redis On.

eetop公众号 创芯大讲堂 创芯人才网
快速回复 返回顶部 返回列表