在线咨询 切换到宽版
eetop公众号 创芯大讲堂 创芯人才网

 找回密码
 注册

手机号码,快捷登录

手机号码,快捷登录

搜全文
查看: 9995|回复: 11

[求助] 这个全差分运放的转换速率怎么算啊?

[复制链接]
发表于 2011-7-2 01:32:20 | 显示全部楼层 |阅读模式

马上注册,结交更多好友,享用更多功能,让你轻松玩转社区。

您需要 登录 才可以下载或查看,没有账号?注册

×
本帖最后由 inf 于 2011-7-2 10:12 编辑

全差分运放

全差分运放

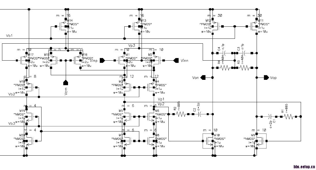
在看设计全差分运放的文档,看到这样一个电路,这种带共模反馈的全差分运放该怎么计算转换速率啊,假如在计算的时候,M1导通,M2截止,那么共模反馈模块的M15,M16,M17的电流通过情况该怎么算啊?那篇文档里这么讲,转换速率等于1.5*(2*Ids1/C1),是在没有看懂,感觉应该就是2*Ids1/C1啊  ,请大家指点一下,谢谢
发表于 2011-7-2 09:48:25 | 显示全部楼层
没看懂,谁给分析一下?
回复 支持 反对

使用道具 举报

发表于 2011-7-2 21:05:10 | 显示全部楼层
你看的是哪个文档啊?
回复 支持 反对

使用道具 举报

 楼主| 发表于 2011-7-3 12:19:43 | 显示全部楼层
回复 3# helianalog


    全差分运放设计.pdf (630.03 KB , 下载次数: 200 )
回复 支持 反对

使用道具 举报

 楼主| 发表于 2011-7-5 10:45:52 | 显示全部楼层
怎么没有高手说话
回复 支持 反对

使用道具 举报

发表于 2011-7-5 16:43:32 | 显示全部楼层
1.5*是在这个特定电路的下发生的
你看它的第二页,正常情况你的理解是对的
这里在slew时电流~=Itail_dm+Icmb~=2*Ids1+Icmb=3Ids1=1.5*2Ids1
回复 支持 反对

使用道具 举报

发表于 2011-7-5 21:25:32 | 显示全部楼层




    共模电流好像算不出来啊?
回复 支持 反对

使用道具 举报

 楼主| 发表于 2011-7-5 22:00:57 | 显示全部楼层
回复 6# nool


  多谢回复,但是我感觉好像还是不太懂,SLEW时,您也认为M15 M16是平分电流吗?那相对于差分输出来说,其实就是电流
=Itail_dm+Icmb-Icmb=2*Ids1,您讲的Itail_dm+Icmb是相对于单端来说的吧 ?
回复 支持 反对

使用道具 举报

发表于 2011-7-6 11:30:40 | 显示全部楼层
xuexi
回复 支持 反对

使用道具 举报

发表于 2017-1-2 18:24:53 | 显示全部楼层
1111111111111111111111111
回复 支持 反对

使用道具 举报

您需要登录后才可以回帖 登录 | 注册

本版积分规则

关闭

站长推荐 上一条 /1 下一条

手机版| 小黑屋| 关于我们| 联系我们| 隐私声明| EETOP 创芯网
( 京ICP备:10050787号 京公网安备:11010502037710 )

GMT+8, 2025-10-3 09:02 , Processed in 0.018371 second(s), 4 queries , Gzip On, Redis On.

eetop公众号 创芯大讲堂 创芯人才网
快速回复 返回顶部 返回列表