在线咨询 切换到宽版
eetop公众号 创芯大讲堂 创芯人才网

 找回密码
 注册

手机号码,快捷登录

手机号码,快捷登录

搜全文
查看: 4417|回复: 11

[原创] 正向设计了一个10位50MHz的流水线ADC,却感到什么也没学到

[复制链接]
发表于 2012-10-10 21:43:44 | 显示全部楼层 |阅读模式

马上注册,结交更多好友,享用更多功能,让你轻松玩转社区。

您需要 登录 才可以下载或查看,没有账号?注册

×
最近正向设计了一个10位50MHz的流水线ADC,却感到十分郁闷。

开始,我先在没有采样保持电路的情况下仿真后面的9级,以便确保后面9级正确。这个仿真过程让我很郁闷,尤其是MDAC中开关尺寸的选取。我的放大器有420MHz的带宽,98dB的增益,相位余度77度。
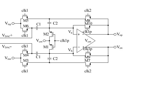
MDAC.JPG
如上图中的MDAC,除了开关M1、M2、M9和M10外,其他都是CMOS开关。这些开关尺寸的选取太费劲了。比如开关M1、M2、M9和M10的尺寸从W=6u,L=0.35u变成W=8u,L=0.35u,结果马上就变错误!M3~M8的尺寸由W=8u,L=0.35u变成W=10u,L=0.35u,结果也是变错。

好不容易把后面9级电路调好,又加上了采样保持电路。结果开关的问题又出现了。
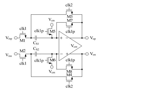
SH.JPG
上面电路中,开关M1、M2是boostrap,其他都是CMOS开关。同样的现象,M3~M8这些开关的尺寸由W=8u,L=0.35u变成W=10u,L=0.35u或W=8u,L=0.35u变成W=7u,L=0.35u,仿真结果肯定出现错误。而且开关M7和M8不是连接到放大器的输入端,而是连接到共模电平VCM上,结果也会出现变化。

总之,设计了这么一个ADC,现在的仿真结果有9.23bits的有效位,但是这都是“蒙”出来的,主要是还是没有掌握如何设计开关尺寸,感觉拉扎维那本书的第12章给出的公式没有什么实际意义。

不知道大家在设计流水线ADC时,开关的尺寸是如何考虑的?难道也是像我遇到的情况一样,电路对开关尺寸的变化太敏感了。唉,感觉没有学到什么东西啊!!
发表于 2012-10-11 00:03:52 | 显示全部楼层
前仿的话精度有点低吧?
回复 支持 反对

使用道具 举报

 楼主| 发表于 2012-10-11 09:18:41 | 显示全部楼层
回复 支持 反对

使用道具 举报

发表于 2012-10-11 10:09:07 | 显示全部楼层
感觉精度低了点!
回复 支持 反对

使用道具 举报

发表于 2012-10-11 12:23:12 | 显示全部楼层
回复 3# wjx197733


    我意思你电路是可以改进的。不是仿真器的问题
回复 支持 反对

使用道具 举报

 楼主| 发表于 2012-10-11 14:59:03 | 显示全部楼层


   
感觉精度低了点!
hibai 发表于 2012-10-11 10:09




    您所说的精度是指什么??
回复 支持 反对

使用道具 举报

 楼主| 发表于 2012-10-11 15:01:28 | 显示全部楼层


   
回复  wjx197733


    我意思你电路是可以改进的。不是仿真器的问题
半支烟 发表于 2012-10-11 12:23




请教半支烟:您设计开关时都是怎么考虑的?我的电路对开关的大小太敏感了。比如从W/L=6u/0.35u变成W/L=8u/0.35u,仿真结果就不一样了
回复 支持 反对

使用道具 举报

发表于 2012-10-11 19:39:48 | 显示全部楼层
结果撮使什么意思?
书上那个模型误差太大了,只能涌来定性汾西活估算。
回复 支持 反对

使用道具 举报

发表于 2012-10-11 22:37:36 | 显示全部楼层
回复 7# wjx197733

这说明有很大的改进余地
回复 支持 反对

使用道具 举报

 楼主| 发表于 2012-10-12 09:07:20 | 显示全部楼层


   
回复  wjx197733

这说明有很大的改进余地
semico_ljj 发表于 2012-10-11 22:37




    如何改进?给兄弟指点一个方向啊!
回复 支持 反对

使用道具 举报

您需要登录后才可以回帖 登录 | 注册

本版积分规则

关闭

站长推荐 上一条 /1 下一条

手机版| 小黑屋| 关于我们| 联系我们| 隐私声明| EETOP 创芯网
( 京ICP备:10050787号 京公网安备:11010502037710 )

GMT+8, 2025-10-2 15:58 , Processed in 0.022385 second(s), 6 queries , Gzip On, Redis On.

eetop公众号 创芯大讲堂 创芯人才网
快速回复 返回顶部 返回列表