在线咨询 切换到宽版
eetop公众号 创芯大讲堂 创芯人才网

 找回密码
 注册

手机号码,快捷登录

手机号码,快捷登录

搜全文
查看: 788|回复: 0

[原创] 倾佳电子深度解析:移相全桥拓扑的演进、技术瓶颈与SiC碳化硅的应用价值

[复制链接]
发表于 2025-11-9 10:59:59 | 显示全部楼层 |阅读模式

马上注册,结交更多好友,享用更多功能,让你轻松玩转社区。

您需要 登录 才可以下载或查看,没有账号?注册

×
倾佳电子深度解析:移相全桥拓扑的演进、技术瓶颈与SiC碳化硅的应用价值倾佳电子(Changer Tech)是一家专注于功率半导体和新能源汽车连接器的分销商。主要服务于中国工业电源、电力电子设备和新能源汽车产业链。倾佳电子聚焦于新能源、交通电动化和数字化转型三大方向,并提供包括IGBT、SiC MOSFET、GaN等功率半导体器件以及新能源汽车连接器。
倾佳电子杨茜致力于推动国产SiC碳化硅模块在电力电子应用中全面取代进口IGBT模块,助力电力电子行业自主可控和产业升级!
倾佳电子杨茜咬住SiC碳化硅MOSFET功率器件三个必然,勇立功率半导体器件变革潮头:
倾佳电子杨茜咬住SiC碳化硅MOSFET模块全面取代IGBT模块和IPM模块的必然趋势!
倾佳电子杨茜咬住SiC碳化硅MOSFET单管全面取代IGBT单管和大于650V的高压硅MOSFET的必然趋势!
倾佳电子杨茜咬住650V SiC碳化硅MOSFET单管全面取代SJ超结MOSFET和高压GaN 器件的必然趋势!
第一部分:移相全桥拓扑的起源与核心工作原理
在电力电子技术追求更高功率密度和效率的进程中,开关变换器的拓扑结构经历了持续的演进。移相全桥 (Phase-Shifted Full-Bridge, PSFB) 拓扑的诞生,是解决传统硬开关全桥变换器固有瓶颈的一次重大技术飞跃。

1.1 起源:从硬开关全桥 (HSFB) 到软开关的演进 wKgZO2kP_zWAWLAKAAK98g4fvpg250.png 传统的硬开关全桥变换器 (Hard-Switched Full-Bridge, HSFB) 结构经典,但在高频、大功率应用中面临两大根本局限:
高开关损耗 (Switching Loss): 在 HSFB 拓扑中,功率开关管(如 MOSFET 或 IGBT)在导通和关断的瞬间,其电压 ($V$) 和电流 ($I$) 同时不为零。这导致了巨大的开关损耗($P_{sw} = (E_{on} + E_{off}) \times f_{sw}$)。由于开关损耗与开关频率 $f_{sw}$ 成正比,这严重限制了变换器工作频率的提升,进而阻碍了功率密度的提高 。
高 EMI 与电压应力 (Voltage Stress): 快速的 $dv/dt$ 和 $di/dt$ 瞬变,会与电路中的寄生参数(特别是变压器漏感 $L_{lk}$ 和整流二极管结电容)发生剧烈谐振,产生严重的电压尖峰 (Voltage Spike) 和振铃 (Ringing) 。这不仅带来了难以抑制的电磁干扰 (EMI) ,还对功率器件造成了极大的电压应力。
为了突破这一“硅基天花板”,移相全桥 (PSFB) 拓扑作为一种高效的软开关 (Soft Switching) 技术应运而生 。该拓扑最早在 20 世纪 80 年代末至 90 年代初被提出并广泛研究 ,其核心目标是在不显著增加电路复杂性的前提下,利用零电压开关 (Zero-Voltage Switching, ZVS) 技术来消除开关损耗 。
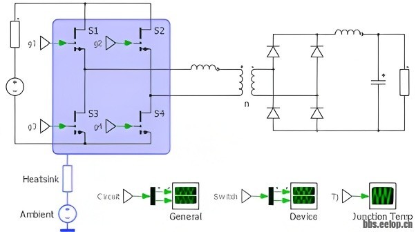
1.2 核心工作原理:移相控制与 ZVS 实现 wKgZO2kP_7SAZAcJAAuqxDm8npQ129.png PSFB 在原边 (Primary Side) 依然采用经典的 H 桥(四个开关管),但其控制策略发生了根本性变革 。
移相控制 (Phase-Shift Control): PSFB 拓扑将 H 桥的两个桥臂区分为“超前臂” (Leading Leg,如 Q1/Q2) 和“滞后臂” (Lagging Leg,如 Q3/Q4) 。每个桥臂内的两个开关管(如 Q1 和 Q2)以接近 50% 的占空比互补导通(中间需设置死区时间)。功率的传输不再通过调节脉宽 (PWM),而是通过调节“超前臂”驱动信号与“滞后臂”驱动信号之间的相位移 ($\Phi$) 来实现 。
ZVS 的物理机制: ZVS 是 PSFB 拓扑的精髓。它巧妙地将 HSFB 中的“有害”寄生参数转变为实现软开关的“功能”元件 。
关键谐振元件: 变压器漏感 $L_{lk}$(或额外串联的谐振电感 $L_r$)和功率开关管的输出电容 $C_{oss}$(结电容)。
谐振转换过程: 以超前臂 Q1/Q2 的转换为例。当 Q1 关断时,原边电流 $I_p$(由 $L_{lk}$ 维持)并不会立即降至零。此电流会转而对 Q1 的 $C_{oss}$ 充电,同时对 Q2 的 $C_{oss}$ 放电4。
ZVS 实现: 只要 $L_{lk}$ 中存储的谐振能量($E = \frac{1}{2} L_{lk} I_p^2$)足够大,就能在死区时间 (dead-time) 内将 Q2 的 $C_{oss}$ 完全放电至零 4。$V_{DS}$ 降至零后,$I_p$ 会反向流过 Q2 的体二极管 (Body Diode),将其 $V_{DS}$ 钳位在约 $-0.7V$ 。
零电压开通: 在此期间,控制芯片发出 Q2 的开通信号。由于 Q2 此时的 $V_{DS} \approx 0$,其开通过程中几乎没有电压和电流的交叠,从根本上消除了容性开通损耗 。滞后臂 (Q3/Q4) 的 ZVS 转换过程同理。
这种设计哲学上的范式转变——将变压器漏感 $L_{lk}$ 从 HSFB 中的“寄生问题” 5 转变为 PSFB 中的“核心功能元件” ——是 PSFB 拓扑的革命性所在。它使得变换器能够在高频下运行,同时保持极高的效率和较低的 EMI 。

第二部分:PSFB 的技术优势与固有局限性
PSFB 拓扑凭借其 ZVS 特性带来了巨大的性能收益,但也在大规模应用中暴露了其固有的、难以克服的局限性。
2.1 核心技术优势
高效率与高功率密度 (High Efficiency & Power Density): 通过在较宽的负载范围内实现 ZVS ,PSFB 几乎消除了主要的开关损耗 。这使得开关频率 $f_{sw}$ 得以大幅提升(例如,从几十 kHz 提升至 100kHz 甚至 500kHz)。
磁性元件小型化 (Magnetics Miniaturization): 根据变压器基本公式 ($V \propto N \cdot A_e \cdot B_{max} \cdot f_{sw}$),开关频率 $f_{sw}$ 的提高,意味着在传输相同功率时,所需的磁芯有效面积 $A_e$ 可以显著减小 。分析表明,将开关频率从 100kHz 提高到 500kHz,变压器体积可以缩小一半以上 。这是实现高功率密度(kW/L)的最关键因素 。
控制相对简单 (Simple Control): PSFB 采用固定频率的移相控制 。与 LLC 等需要变频调压的谐振拓扑相比,PSFB 的固定频率特性极大地简化了 EMI 滤波器的设计和磁性元件的优化 。
较低的 RMS 电流: 相较于 LLC 等全谐振拓扑,PSFB 在功率传输期间的电流波形更接近方波,具有相对更低的原边 RMS 电流,这有助于降低导通损耗 。
wKgZO2kQAKeAfLIEAACngC9l24g973.png 2.2 固有的技术挑战与局限 wKgZO2kQAXOAHG_PABCesL9hOVM885.png PSFB 拓扑在实际应用中,特别是在追求全负载范围高效率时,其“软肋”也暴露无遗。
挑战一:环流损耗 (Circulating Current)
机理: 在 PSFB 的工作周期中,存在两个“续流”区间 (Freewheeling Interval)。在此期间,原边绕组通过上管(Q1, Q3)或下管(Q2, Q4)短路,变压器原边电压 $V_p$ 为零 。然而,由于 $L_{lk}$ 的储能,原边电流 $I_p$ 并不为零,而是在原边回路中持续“循环”流动 。
后果: 这部分环流并不向副边传输任何有效功率 ,却在原边开关管、 $L_{lk}$ 和变压器绕组上产生巨大的 $I^2R$ 导通损耗,成为纯粹的能量浪费 。
挑战二:轻载效率低下 (Poor Light-Load Efficiency)
环流加剧: 当负载降低时,控制器必须减小移相角 $\Phi$(即减小有效占空比)以维持输出电压稳定 。这导致了上述“环流区间”在整个开关周期中的时间占比急剧增加 。因此,在轻载条件下,寄生的环流损耗在总损耗中的占比变得极其显著 。
ZVS 丢失: ZVS 的实现依赖于 $L_{lk}$ 中存储的能量($E = \frac{1}{2} L_{lk} I_p^2$)4。在轻载条件下,$I_p$ 非常小,导致存储的能量不足以在死区时间内完成对 $C_{oss}$ 的充放电 。
后果: 尤其是滞后臂 (Lagging Leg),由于其谐振转换时可利用的能量更少,极易在轻载下丢失 ZVS 。开关管被迫从 ZVS 退化为硬开关 (Hard Switching),导致开关损耗激增 。
挑战三:其他问题
占空比丢失 (Duty Cycle Loss): 较大的 $L_{lk}$ 虽然有助于实现 ZVS,但也会减缓原边电流的上升斜率,从而损失了有效占空比,限制了最大输出电压 。
副边电压振铃: 副边整流二极管的结电容与 $L_{lk}$ 谐振,仍会引起严重的电压振铃和功率损耗 。
这些挑战共同导致了“PSFB 效率悖论”:PSFB 作为一种先进的软开关拓扑,其目标应用 恰恰对“轻载效率”(如 10%、20% 负载)提出了最严苛的要求(例如 80 Plus 钛金标准和 M-CRPS 规范)。然而,PSFB 拓扑在轻载区间的 ZVS 机制失效和环流损耗激增 ,使其天生具有低效率特性。这种“拓扑特性”与“市场需求”之间的尖锐矛盾,是驱动 PSFB 拓扑在过去二十年不断演进的根本动力。
第三部分:PSFB 拓扑的发展趋势与改进策略为解决第二部分中提出的“效率悖论”,一系列先进的改进拓扑和控制策略应运而生,形成了庞大的“PSFB 拓扑家族”。
3.1 改进路径一:有源钳位 (Active Clamp) 技术此技术旨在解决滞后臂轻载 ZVS 丢失问题 25 和抑制副边电压振铃 。
拓扑与机制: 通过在原边或副边(通常在副边整流桥)增加一个辅助开关 ($Q_{CL}$) 和一个钳位电容 ($C_{CL}$) 。
ZVS 扩展: 有源钳位电路可以在轻载时提供一个额外的辅助电流源 ,确保即使在负载电流极低的情况下,仍有足够的能量来完成滞后臂 $C_{oss}$ 的谐振转换,从而将 ZVS 范围扩展至极轻负载 。
能量回收与振铃抑制: 该电路能主动“钳位”住 $L_{lk}$ 谐振引起的电压尖峰,并将这部分能量存储在 $C_{CL}$ 中,在下一个周期循环利用 15。这取代了传统的 RCD 无源吸收电路,避免了能量耗散 。
系统优化: 通过抑制副边振铃 ,允许工程师选用更低电压等级(因此具有更低 $R_{DS(on)}$ 和 $C_{oss}$)的同步整流 (SR) MOSFET,进一步降低导通损耗和驱动损耗 。
效果: 采用有源钳位技术的 PSFB 可实现全负载范围 ZVS,并显著提升轻载效率,有报道称轻载效率可达 96% 以上 。
3.2 改进路径二:混合开关 (ZVS-ZCS) 拓扑此技术针对不同桥臂的开关特性进行精细化优化,以实现全局最优。
拓扑与机制: 通过电路重构,实现“超前臂 ZVS + 滞后臂 ZCS(零电流开关)”的混合软开关模式 。超前臂的开通是硬电流换相,适合 ZVS;而滞后臂的关断是硬电流换相,适合 ZCS。
ZCS 的优势: ZCS(零电流关断)对于 Si IGBT 尤其重要,因为 IGBT 作为双极型器件,在关断时存在“拖尾电流” (Tail Current) 30,导致巨大的关断损耗。ZCS 可以在电流过零时关断器件,完美解决这一问题 。
效果: 先进的 ZVZCS 拓扑能够在全负载范围内消除环流,并实现所有开关的 ZVS 开通和(准)ZCS 关断,极大地提高了效率 。
3.3 改进路径三:数字化与自适应混合控制此策略利用数字控制器 (DSP/MCU) 的灵活性,为变换器在不同工况下匹配最佳工作模式 。
工作机制:
轻载/空载区: 放弃移相控制,转而采用传统 PWM 控制脉冲跳跃 (Burst Mode) 模式 。此举从根本上消除了环流损耗 。虽然 ZVS 会丢失,但在极轻负载下,$C \cdot V^2 \cdot f_{sw}$ 的硬开关损耗远小于环流 $I^2R$ 损耗。
中载/重载区: 自动切换回移相控制模式,以充分利用 ZVS 降低开关损耗的优势 。
效果: 结合两种控制模式的优点,实现了全负载范围内的“平坦效率曲线”6,完美解决了 PSFB 的轻载效率难题。

第四部分:碳化硅 (SiC) 功率器件在 PSFB 中的应用价值如果说第三部分的改进是“战术优化”,那么碳化硅 (SiC) 功率器件的应用则是对 PSFB 拓扑的“战略重塑”。SiC 器件的物理特性从根本上解决了传统硅 (Si) 器件的物理瓶颈。
4.1 根源性变革:打破 Si IGBT 的“硅基天花板” wKgZO2kMni6AeMJUAAZl5YLtJGM031.png wKgZPGkMni-ADgGPAAZBCcVTtdY142.png wKgZPGkMni-AbrBVAAdeBCDwANQ685.png 在 10kW 以上的大功率 PSFB 应用中(如充电桩、储能、大功率焊机),传统上只能使用 1200V 等级的 Si IGBT 。然而,IGBT 作为双极型器件,其物理特性限制了 PSFB 的发展:
拖尾电流 (Tail Current): IGBT 依靠少数载流子导电,关断时需要时间进行电荷复合,导致了严重的“拖尾电流” 。
高关断损耗 ($E_{off}$): 拖尾电流导致了巨大的关断损耗 ,使得 Si IGBT 无法在高频(通常 > 20-30kHz)下有效工作 。
PSFB 拓扑的核心价值主张是“高频化以缩小磁性元件” ,但在高压大功率应用中,唯一的硅基选项 Si IGBT 却因拖尾电流而“快不起来” 。这种“拓扑理论优势”与“器件物理限制”之间的深刻矛盾,即是“硅基天花板”。
SiC MOSFET 作为单极型器件,完全不存在拖尾电流。它首次在高压(650V-1700V)领域,将 IGBT 的高功率容量与 MOSFET 的超快开关速度集于一身 。性能对比显示,SiC MOSFET 的 $E_{off}$(关断损耗)比 Si IGBT 低近 78% 。SiC 的出现,彻底打破了这一频率限制,将 PSFB 的工作频率提升了一个数量级,从而释放了拓扑的全部潜力。
4.2 SiC 的核心价值一:实现更高开关频率与功率密度SiC 极低的开关损耗($E_{on}$ 和 $E_{off}$)是其最核心的优势 。来自 BASIC Semiconductor 的仿真数据(见表 3)直观地证明了这一点:在 300A 电流下,SiC 模块 (BMF540R12KA3) 在 12kHz 下的开关损耗仅为 104.14W。相比之下,Si IGBT 模块 (FF800R12KE7) 在仅 6kHz 下的开关损耗高达 957.75W
这意味着 SiC 在开关频率高 1 倍的情况下,开关损耗反而降低了近 9.2 倍。这种极低的开关损耗使得 PSFB 运行在 100kHz 、300kHz  甚至 500kHz 成为可能,如 2.1 节所述,这直接导致了变压器和电感体积的指数级缩小,实现功率密度的飞跃。
4.3 SiC 的核心价值二:全方位降低系统损耗SiC 的优势不仅在于开关损耗,还在于导通及续流阶段。
极低的反向恢复电荷 ($Q_{rr}$):
PSFB 的 ZVS 转换依赖于体二极管的续流 。传统 Si MOSFET 的体二极管性能差,$Q_{rr}$ 很高,恢复过程缓慢且损耗大 。
SiC MOSFET 的体二极管速度极快,$Q_{rr}$ 极低 。
来自 BASIC Semiconductor 的数据显示,其模块通过内部集成 SiC SBD(肖特基二极管),实现了“基本没有反向恢复行为”和“大幅度降低管压降” 。
如表 1 所示,BMF240R12E2G3 在 125°C、400A 下的 $Q_{rr}$ 仅为 0.74uC,远低于竞品 W*** 的 2.69uC 。这使得 ZVS 转换过程中的二极管反向恢复损耗 ($E_{rr}$) 被极大降低。
优异的导通损耗 ($R_{DS(on)}$):
SiC 材料具有更高的临界击穿场强,允许器件在同等耐压下做得更薄,从而实现更低的 $R_{DS(on)}$ 。
更重要的是,SiC 的 $R_{DS(on)}$ 随温度上升的幅度远小于 Si MOSFET 35,高温表现优异 。
如表 3 所示,在 300A 电流下,SiC 模块的导通损耗 (133W) 也优于 IGBT (161W) 。
4.4 SiC 的核心价值三:提升系统可靠性与热管理 wKgZO2kNRDWAKQieAAYnoo8wfus549.png wKgZO2kNOcaAM2aAAAb4RMnV7os303.png SiC 的高频和高密度特性对系统热管理提出了挑战,而 SiC 材料本身和配套的先进封装技术恰好应对了这一挑战。
高温工作能力: SiC 的宽禁带特性使其具有更高的结温上限($T_{j.max}$ 可达 175°C)和更优的高温稳定性 。
先进封装协同: 为发挥 SiC 的高温优势,必须配合先进的封装材料。BASIC Semiconductor 的模块采用了高性能 $\text{Si}_3\text{N}_4$(氮化硅)AMB 陶瓷基板 。
性能对比: $\text{Si}_3\text{N}_4$ 具有 90 W/mk 的高热导率(远优于 $Al_2O_3$ 的 24 W/mk)和 700 N/mm² 的极高抗弯强度(远优于 AlN 的 350 N/mm² 和 $Al_2O_3$ 的 450 N/mm²),使其在温度冲击下不易开裂,可靠性极高 。
高温焊料: 配合高温焊料 ,进一步提升了模块在高温下的服役寿命。
SiC 器件的应用在 PSFB 中创造了一个自我强化的**“良性循环” (Virtuous Cycle)**:
SiC 的超低开关损耗 37 $\rightarrow$ 允许开关频率大幅提升 。
开关频率提升 $\rightarrow$ 磁性元件体积急剧缩小 。
磁性元件缩小 $\rightarrow$ 系统功率密度提升,但导致热量集中。
SiC 的高温耐受性 40 + $\text{Si}_3\text{N}_4$ 先进封装 37 $\rightarrow$ 完美应对热量集中问题。
同时,SiC 的总损耗(开关+导通)远低于 Si 30 $\rightarrow$ 产生的总热量更少
总热量更少 $\rightarrow$ 所需散热器 (Heatsink) 体积更小 。
散热器体积缩小 $\rightarrow$ 系统功率密度进一步提升
这是一个正反馈的、指数级的系统优化过程,是 SiC 技术在 PSFB 中最核心的价值体现。
第五部分:基于 BASIC Semiconductor SiC 模块的 PSFB 性能实证
理论分析最终需要数据验证。本部分将结合 BASIC Semiconductor 提供的实测及仿真数据,量化 SiC 器件在 PSFB 典型应用中的性能优势。
wKgZO2kMnLiAaktdAAX8paNIZu8391.png wKgZO2kMnLiAaktdAAX8paNIZu8391.png wKgZO2kQAoiAYdJYAAaEpOSkcTE569.png wKgZPGkMnRmASPoXAAYG-kVNto0809.png wKgZO2kQAoiAYdJYAAaEpOSkcTE569.png wKgZPGkQAoiAPgNZAAYoQmYuxiI016.png wKgZO2kQAoiADlPTAAW1gDXekE4037.png wKgZPGkNPneAbJviAAXzMl5DY5I132.png wKgZPGkQAoiASNXiAAW5Pc_PiTM779.png wKgZO2kNPneAN9IzAAWXx6g2ZRQ515.png 5.1 实证对比一:SiC vs. SiC(BMF240R12E2G3 与国际竞品)SiC 技术本身也在不断迭代。BASIC 第三代芯片技术  展示了其在关键性能上的优化。如表 1 所示,BMF240R12E2G3 (BASIC) 在与国际竞品 W*** 和 I** 的对比中表现出色。
表 1:BMF240R12E2G3 与国际竞品 SiC 模块关键参数对比
参数
测试条件
BMF240R12E2G3 (BASIC)
CAB006M12GM3 (W***)
FF6MR12W2M1H (I**)
单位

$BV_{DSS}$ (典型值)@ $T_j=150^\circ C$1650 - 16531567 - 14721456 - 1467V
$R_{DS(on)}$ (典型值)@ $T_j=150^\circ C, I_D=200A$8.3 - 8.67.4 - 7.78.2 - 8.3m$\Omega$
$V_{SD}$ (典型值)@ $T_j=150^\circ C, I_{SD}=200A$2.8 - 2.94.8 - 4.94.4 - 4.5V
$C_{rss}$ (典型值)@ $T_j=150^\circ C, V_{DS}=800V$19.0 - 30.841.5 - 51.443.2 - 58.1pF
$E_{off}$ (典型值)@ $T_j=125^\circ C, I_D=400A$6.1611.318.85mJ
$E_{total}$ (典型值)@ $T_j=125^\circ C, I_D=400A$20.8227.2124.24mJ
$Q_{rr}$ (典型值)@ $T_j=125^\circ C, I_D=400A$0.742.690.55uC分析:
$V_{SD}$ (续流压降): BMF240R12E2G3 的 $V_{SD}$ 远低于竞品,这归功于其内部集成了 SiC SBD 37,极大地降低了 PSFB 续流阶段的导通损耗。
$E_{off}$ (关断损耗): BMF240R12E2G3 的 $E_{off}$ 比 W*** 低约 45%,比 I** 低约 30%。这对于高频 PSFB 拓扑至关重要。
$Q_{rr}$ (反向恢复电荷): BMF240R12E2G3 的 $Q_{rr}$ 比 W*** 低约 72%(与 I** 接近)。
$C_{rss}$ (米勒电容): 更低的 $C_{rss}$ 意味着更快的开关瞬态和更低的驱动损耗。
这些数据证明了先进的 SiC 芯片技术(如更优的 $V_{SD}$ 和 $E_{off}$)能为 PSFB 带来更低的总体损耗。

5.2 实证对比二:SiC vs. Si IGBT(焊机 H 桥拓扑)焊机是 PSFB 的典型高频应用 。表 2 的仿真对比了 BMF80R12RA3 (SiC) 与某高速 Si IGBT 模块在 20kW 焊机 H 桥中的表现。
表 2:焊机 H 桥拓扑仿真对比:SiC MOSFET (BMF80R12RA3) vs. 高速 Si IGBT
器件类型
模块型号
开关频率 (fsw​)
总损耗 (H 桥)
整机效率 (H 桥)

SiC MOSFETBMF80R12RA370 kHz239.84 W98.82 %
SiC MOSFETBMF80R12RA3100 kHz266.72 W98.68 %
高速 Si IGBT某品牌20 kHz405.52 W - 596.6 W97.10 % - 98.01 %
注:仿真条件 $V_{DC}=540V$, $P_{out}=20kW$, $T_H=80^{\circ}C$    分析:
此数据完美印证了 4.1 节中的“硅基天花板”理论。Si IGBT 被限制在 20kHz,总损耗已高达 400W-600W。而 SiC 模块可以在 5 倍于 IGBT 的开关频率 (100kHz) 下工作,而总损耗反而降低了 40% - 55%。这为焊机电源的小型化和轻量化提供了决定性的技术支持。
5.3 实证对比三:SiC vs. Si IGBT(储能/电机驱动 H 桥)此仿真对比了 BMF540R12KA3 (SiC) 与 FF800R12KE7 (IGBT) 在高功率 H 桥(与储能 PCS 拓扑高度相关 )中的性能。
表 3:H 桥拓扑仿真对比:SiC MOSFET (BMF540R12KA3) vs. Si IGBT (FF800R12KE7)
对比维度
SiC MOSFET (BMF540R12KA3)
Si IGBT (FF800R12KE7)
结论

固定出力损耗对比 (300A 输出)3737
开关频率 ($f_{sw}$)12 kHz6 kHzSiC 频率高 1 倍
导通损耗 (单开关)138.52 W161.96 WSiC 导通损耗低 14.5%
开关损耗 (单开关)104.14 W957.75 WSiC 开关损耗降低 89.1%
总损耗 (单开关)242.66 W1119.71 WSiC 总损耗降低 78.3%
效率 (整机)99.39 %97.25 %SiC 效率显著更高
固定结温出力对比 ($T_j \le 175^\circ C$)3737
开关频率 ($f_{sw}$)6 kHz6 kHz频率相同
最大相电流 ($I_{Arms}$)556.5 A446 ASiC 输出能力高 24.8%
注:仿真条件 $V_{DC}=800V$, $T_{H}=80^{\circ}C$   分析:
表 3 揭示了损耗的构成:IGBT 的损耗绝大部分(约 85%)来自开关损耗(957W),而 SiC 的开关损耗(104W)被极大抑制。在相同的结温(即相同的散热能力)限制下,SiC 模块能比 IGBT 多输出 24.8% 的电流 。这再次印证了 SiC 在高功率密度系统中的“良性循环”优势。

5.4 关键应用选型总结基于上述实证优势,SiC 功率模块已成为大功率 PSFB 拓扑的首选方案,广泛应用于:
大功率充电桩: $\ge 60kW$ 模块,如 BMF240R12E2G3 。
储能 PCS: $\ge 100kW$ AC/DC 变换器,如 62mm 封装的 BMF360R12KA3 / BMF540R12KA3 。
高端工业焊机: 350-500A 焊机,如 34mm 封装的 BMF80R12RA3 / BMF160R12RA3 。
第六部分:总结与未来展望深圳市倾佳电子有限公司(简称“倾佳电子”)是聚焦新能源与电力电子变革的核心推动者:
倾佳电子成立于2018年,总部位于深圳福田区,定位于功率半导体与新能源汽车连接器的专业分销商,业务聚焦三大方向:
新能源:覆盖光伏、储能、充电基础设施;
交通电动化:服务新能源汽车三电系统(电控、电池、电机)及高压平台升级;
数字化转型:支持AI算力电源、数据中心等新型电力电子应用。
公司以“推动国产SiC替代进口、加速能源低碳转型”为使命,响应国家“双碳”政策(碳达峰、碳中和),致力于降低电力电子系统能耗。
需求SiC碳化硅MOSFET单管及功率模块,配套驱动板及驱动IC,请添加倾佳电子杨茜微芯(壹叁贰 陆陆陆陆 叁叁壹叁)
wKgZPGkNQ2uAE9pNAAhwA03MuGw815.png wKgZO2kNQ2uAVciUAAhRXmyMN-s936.png wKgZO2kMnhqAWS5FAAVOt8hDExs319.png wKgZPGkMnhuACdc4AAZnOln7lPM365.png wKgZO2kMnhuAew6bAASQIBRIBhc258.png wKgZO2kMnhuAeNeKAAq8d4eeX9U002.png wKgZPGkMnhuANR72AAYF2cT77uU798.png 移相全桥 (PSFB) 拓扑的演进史,是电力电子技术为解决硬开关损耗、追求高频化和高效率而不断创新的历史。它从最初利用 $L_{lk}-C_{oss}$ 谐振实现 ZVS,到后续发展出有源钳位、ZVZCS 和数字混合控制等先进策略,以克服其固有的环流损耗和轻载效率低下的“效率悖论”。
然而,真正将 PSFB 拓扑潜力完全释放的,是碳化硅 (SiC) 功率器件的出现。SiC MOSFET 以其革命性的低开关损耗(无拖尾电流)、极低的反向恢复电荷 ($Q_{rr}$) 和优异的导通电阻 ($R_{DS(on)}$) 特性,彻底打破了 Si IGBT 的“频率天花板”。
实证数据雄辩地证明,SiC 器件不仅能将 PSFB 的工作频率提升数倍,还能在更高频率下实现更低的总损耗和更高的输出能力。这在系统层面触发了一个“良性循环”:高频化缩小了磁性元件,而 SiC 的高温稳定性和低损耗特性又缩小了散热系统,两者共同将功率密度推向了新的高度。
展望未来,SiC 技术将继续推动 PSFB 拓扑向更高频率(500kHz 甚至 MHz 级别)、更深度集成(如将 SiC 芯片与变压器、驱动集成的功率系统 SiP)以及更广泛的双向应用(如 V2G 充电桩和储能 PCS)发展。SiC 不仅仅是 PSFB 拓扑的一个选项,而是其实现高频、高效、高功率密度使命的关键使能技术 (Key Enabling Technology)

您需要登录后才可以回帖 登录 | 注册

本版积分规则

关闭

站长推荐 上一条 /1 下一条

手机版| 小黑屋| 关于我们| 联系我们| 用户协议&隐私声明| 版权投诉通道| EETOP 创芯网
( 京ICP备:10050787号 京公网安备:11010502037710 ) |网站地图

GMT+8, 2025-12-11 07:02 , Processed in 0.021591 second(s), 5 queries , Gzip On, Redis On.

eetop公众号 创芯大讲堂 创芯人才网
快速回复 返回顶部 返回列表