在线咨询 切换到宽版
eetop公众号 创芯大讲堂 创芯人才网

 找回密码
 注册

手机号码,快捷登录

手机号码,快捷登录

搜全文
查看: 465|回复: 7

[讨论] 运放输入失调电压

[复制链接]
发表于 2025-10-17 14:37:50 | 显示全部楼层 |阅读模式

马上注册,结交更多好友,享用更多功能,让你轻松玩转社区。

您需要 登录 才可以下载或查看,没有账号?注册

×
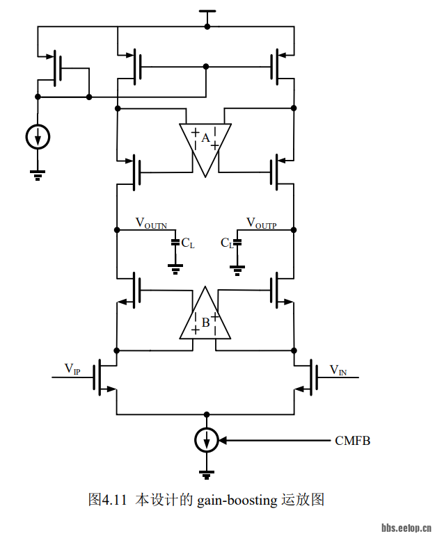
各位大佬小弟有个问题想问一下,就是这种gainboost运放,它采用的是nksunmoon老师的开关电容共模反馈,他说吧运放结成单位增益负反馈形式来仿真,但是我有一点没明白,它结成单位增益负反馈的时候要加这个共模反馈嘛,如果加的话咋仿真啊?不加的话直接去掉这部分反馈仿真嘛?
4f08b64f-483d-486c-8d70-415948562bdd.png
d73621a2-af96-4ff0-bbec-f1c7a9351b9a.png
2cae8ffc-589a-4b3f-9ac4-437881cef22e.png
发表于 2025-10-17 14:54:25 | 显示全部楼层
用一个运放模型去替这个cmfb
回复 支持 反对

使用道具 举报

 楼主| 发表于 2025-10-17 15:48:17 | 显示全部楼层


   
吃花椒的喵酱 发表于 2025-10-17 14:54
用一个运放模型去替这个cmfb


大佬您好,我好像懂但又没太明白,您有相关推荐的文档亦或者能在详细点描述一下就是应该这么连接这个电路嘛(不好意思哈我有点笨)
回复 支持 反对

使用道具 举报

发表于 2025-10-17 17:25:16 | 显示全部楼层


   
梓橦 发表于 2025-10-17 15:48
大佬您好,我好像懂但又没太明白,您有相关推荐的文档亦或者能在详细点描述一下就是应该这么连接这个电路 ...


电路上就是用一个连续时间的cmfb电路去替换sc-cmfb,跟书上的结构一样,这个cmfb运放可以用cadence自带的理想运放。
回复 支持 反对

使用道具 举报

 楼主| 发表于 2025-10-17 17:40:07 | 显示全部楼层


   
吃花椒的喵酱 发表于 2025-10-17 17:25
电路上就是用一个连续时间的cmfb电路去替换sc-cmfb,跟书上的结构一样,这个cmfb运放可以用cadence自带的 ...


哦哦您的意思是采用连续共模反馈代替来进行相应的仿真验证,明白了谢谢
回复 支持 反对

使用道具 举报

 楼主| 发表于 6 天前 | 显示全部楼层


   
吃花椒的喵酱 发表于 2025-10-17 17:25
电路上就是用一个连续时间的cmfb电路去替换sc-cmfb,跟书上的结构一样,这个cmfb运放可以用cadence自带的 ...


大哥这个共模反馈我是这样子连接的,比较器是理想的,但是这个连续共模反馈回来的值和我离散情况下反馈回来的值不是应该值啊,这是啥原因啊
844f6f1b41c42e8e7d269c3a46169626.png
回复 支持 反对

使用道具 举报

发表于 3 天前 | 显示全部楼层


   
梓橦 发表于 2025-10-19 18:23
大哥这个共模反馈我是这样子连接的,比较器是理想的,但是这个连续共模反馈回来的值和我离散情况下反馈回 ...


参数,极性设置对没有,运放输出共模值对了没
回复 支持 反对

使用道具 举报

发表于 3 天前 | 显示全部楼层


   
梓橦 发表于 2025-10-19 18:23
大哥这个共模反馈我是这样子连接的,比较器是理想的,但是这个连续共模反馈回来的值和我离散情况下反馈回 ...



                               
登录/注册后可看大图
vcvs
回复 支持 反对

使用道具 举报

您需要登录后才可以回帖 登录 | 注册

本版积分规则

关闭

站长推荐 上一条 /2 下一条

X 关闭广告

手机版| 小黑屋| 关于我们| 联系我们| 隐私声明| EETOP 创芯网
( 京ICP备:10050787号 京公网安备:11010502037710 ) |网站地图

GMT+8, 2025-10-25 00:25 , Processed in 0.023468 second(s), 4 queries , Gzip On, Redis On.

eetop公众号 创芯大讲堂 创芯人才网
快速回复 返回顶部 返回列表