在线咨询 切换到宽版
eetop公众号 创芯大讲堂 创芯人才网

 找回密码
 注册

手机号码,快捷登录

手机号码,快捷登录

搜全文
查看: 4148|回复: 3

[求助] 关于CDR的frequency detector问题。

[复制链接]
发表于 2012-6-24 18:50:35 | 显示全部楼层 |阅读模式

马上注册,结交更多好友,享用更多功能,让你轻松玩转社区。

您需要 登录 才可以下载或查看,没有账号?注册

×
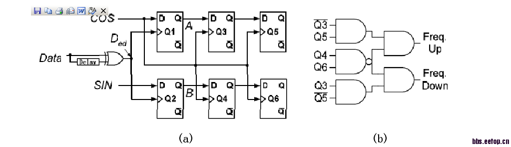
abbr_13adccdcb316fb6faf0dd66d7c5d5fc9.png 此电路是经典的频率检测器,书上说时钟频率大于资料频率时,10,11,01,00,这样循环,小于时则反序循环,但是看组合逻辑时貌似只看Q2为0时的Q1的上升下降来判断UP.DN的,那么我想问单凭一个转换状态就可以鉴频吗?高手能否解答下。
发表于 2013-5-26 22:48:08 | 显示全部楼层
hhhhhhhhhhh
回复 支持 反对

使用道具 举报

发表于 2013-8-15 09:56:23 | 显示全部楼层
这个可以用波形示意图来推导
回复 支持 反对

使用道具 举报

发表于 2023-8-21 09:48:06 | 显示全部楼层
哪个文档的图?
回复 支持 反对

使用道具 举报

您需要登录后才可以回帖 登录 | 注册

本版积分规则

关闭

站长推荐 上一条 /1 下一条

X 关闭广告

手机版| 小黑屋| 关于我们| 联系我们| 隐私声明| EETOP 创芯网
( 京ICP备:10050787号 京公网安备:11010502037710 )

GMT+8, 2025-10-12 07:12 , Processed in 0.017587 second(s), 6 queries , Gzip On, Redis On.

eetop公众号 创芯大讲堂 创芯人才网
快速回复 返回顶部 返回列表