在线咨询 切换到宽版
eetop公众号 创芯大讲堂 创芯人才网

 找回密码
 注册

手机号码,快捷登录

手机号码,快捷登录

搜全文
查看: 58|回复: 2

[求助] 锁频环FLL输出频率无法稳定

[复制链接]
发表于 2 小时前 | 显示全部楼层 |阅读模式
悬赏300资产未解决
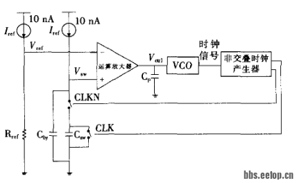
各位大佬们,本人小白最近在做FLL,但是发现VCO的输出信号频率总是像图中一样,先是一个频率很低的信号,紧接着几个高频信号,之后又是一个频率很低的信号,循环往复,FLL频率始终无法稳定在一个频率上,这个到底是为什么呢,想问问各位大佬。

图中VINN,VINP分别为运放负输入端和正输入端,Vtr为运放输出信号,即VCO控制电压,Vout为VCO输出信号,FLL整体结构在第二张图里。

劳烦各位大佬可以帮忙解答,不胜感激!

7a019cbd4f121f339ff760f7bbf58e86.png
7a019cbd4f121f339ff760f7bbf58e86.png
44b9b2ebbca4baed53877c3dd09ca377.png
发表于 2 小时前 | 显示全部楼层
应该是稳定性有问题,跑一下PSTB,分析一下PZ
回复

使用道具 举报

 楼主| 发表于 半小时前 | 显示全部楼层
顶顶
回复

使用道具 举报

您需要登录后才可以回帖 登录 | 注册

本版积分规则

关闭

站长推荐 上一条 /2 下一条

手机版| 小黑屋| 关于我们| 联系我们| 用户协议&隐私声明| 版权投诉通道| EETOP 创芯网
( 京ICP备:10050787号 京公网安备:11010502037710 ) |网站地图

GMT+8, 2025-12-24 12:48 , Processed in 0.013886 second(s), 4 queries , Gzip On, Redis On.

eetop公众号 创芯大讲堂 创芯人才网
快速回复 返回顶部 返回列表