在线咨询 切换到宽版
eetop公众号 创芯大讲堂 创芯人才网

 找回密码
 注册

手机号码,快捷登录

手机号码,快捷登录

搜全文
查看: 528|回复: 0

[求助] 模拟IC/ADC/模数转换器/Zoom IADC/Zoom架构的ADC

[复制链接]
发表于 6 天前 | 显示全部楼层 |阅读模式
悬赏400资产未解决
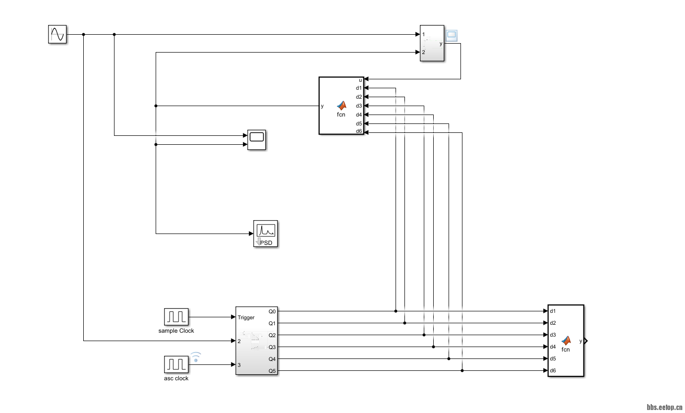
各位大佬好!我是一名刚接触ADC的大二小白,目前在搭建增量型的Zoom ADC。但是在simulink仿真时发现用了Reset复位后得到的ENOB都非常小,我用的SAR ADC是6bit,IADC只用了一个一阶的,没有增加数字滤波器部分,仿真结构图和各种参数设置如下。还请各位大佬不吝赐教,真的没有想明白这是为什么,求求各位大佬帮帮孩子!谢谢谢谢!
微信图片_20251025174956_359_2.png 微信图片_20251025175012_360_2.png 微信图片_20251025180011_361_2.png 微信图片_20251025182426_363_2.png





微信图片_20251025181741_362_2.png
微信图片_20251025182426_363_2.png
微信图片_20251025182610_364_2.png
您需要登录后才可以回帖 登录 | 注册

本版积分规则

关闭

站长推荐 上一条 /1 下一条

手机版| 小黑屋| 关于我们| 联系我们| 隐私声明| EETOP 创芯网
( 京ICP备:10050787号 京公网安备:11010502037710 ) |网站地图

GMT+8, 2025-10-31 23:15 , Processed in 0.014308 second(s), 5 queries , Gzip On, Redis On.

eetop公众号 创芯大讲堂 创芯人才网
快速回复 返回顶部 返回列表