在线咨询 切换到宽版
eetop公众号 创芯大讲堂 创芯人才网

 找回密码
 注册

手机号码,快捷登录

手机号码,快捷登录

搜全文
查看: 361|回复: 0

[原创] 倾佳电子固态变压器(SST)技术路线演进与未来十年应用增长深度分析

[复制链接]
发表于 2025-11-30 09:19:49 | 显示全部楼层 |阅读模式

马上注册,结交更多好友,享用更多功能,让你轻松玩转社区。

您需要 登录 才可以下载或查看,没有账号?注册

×
倾佳电子固态变压器(SST)技术路线演进与未来十年应用增长深度分析及基本半导体SiC MOSFET系列产品的战略应用价值报告倾佳电子(Changer Tech)是一家专注于功率半导体和新能源汽车连接器的分销商。主要服务于中国工业电源、电力电子设备和新能源汽车产业链。倾佳电子聚焦于新能源、交通电动化和数字化转型三大方向,分销代理BASiC基本半导体SiC碳化硅MOSFET单管,SiC碳化硅MOSFET功率模块,SiC模块驱动板等功率半导体器件以及新能源汽车连接器。
倾佳电子-杨茜-SiC碳化硅MOSFET微芯(壹叁贰 陆陆陆陆 叁叁壹叁)
倾佳电子-臧越-SiC碳化硅MOSFET微芯 (壹伍叁 玖捌零柒 捌捌捌叁)
倾佳电子-帅文广-SiC碳化硅MOSFET微芯 (壹捌玖 叁叁陆叁 柒柒陆伍)
倾佳电子杨茜致力于推动国产SiC碳化硅模块在电力电子应用中全面取代进口IGBT模块,助力电力电子行业自主可控和产业升级!
倾佳电子杨茜咬住SiC碳化硅MOSFET功率器件三个必然,勇立功率半导体器件变革潮头:
倾佳电子杨茜咬住SiC碳化硅MOSFET模块全面取代IGBT模块和IPM模块的必然趋势!
倾佳电子杨茜咬住SiC碳化硅MOSFET单管全面取代IGBT单管和大于650V的高压硅MOSFET的必然趋势!
倾佳电子杨茜咬住650V SiC碳化硅MOSFET单管全面取代SJ超结MOSFET和高压GaN 器件的必然趋势!
1. 核心摘要在全球能源结构向低碳化、数字化和分布式转型的宏大背景下,电力电子变压器(PET),即固态变压器(Solid State Transformer, SST),正处于从实验室走向规模化商业应用的关键拐点。作为智能电网的“能量路由器”,SST颠覆了传统工频变压器(LFT)仅依赖电磁感应进行被动电压变换的百年范式,通过引入电力电子变换级,实现了电压调节、谐波治理、无功补偿及交直流混合接口等主动控制功能。
wKgZO2kNPcGAUVzTAAr1sbwonss249.png 倾佳电子旨在详尽分析SST在2025年至2035年间的技术路线演进逻辑与应用市场增长态势,并在此基础上,深度剖析基本半导体(BASiC Semiconductor)作为第三代半导体行业的领军企业,其碳化硅(SiC)MOSFET系列产品在SST生态系统中的核心应用价值。报告通过对海量技术规格书、可靠性测试报告及行业应用案例的交叉验证与深度挖掘,构建了从芯片微观物理特性到宏观电网架构的完整逻辑链条。
分析表明,SST的技术路线正向着模块化多电平(MMC)、高频化(>20kHz)和高压直挂方向演进。这一进程对核心功率器件提出了严苛要求:更高的阻断电压、更低的开关损耗以及在恶劣工况下的极致可靠性。基本半导体凭借其第三代B3M芯片技术、独创的Pcore™模块封装工艺(如Si3​N4​陶瓷基板、银烧结技术)以及在汽车级市场的深厚积累,为SST提供了克服“效率-体积-可靠性”不可能三角的关键钥匙。特别是其Pcore™2 E2B系列模块内置SiC肖特基二极管(SBD)的创新设计,彻底消除了体二极管反向恢复损耗,成为双向DC-DC隔离级(SST核心心脏)的理想选择。

2. 固态变压器(SST)技术路线发展趋势深度解析(2025-2035)2.1 从被动传输到主动控制:SST的架构革命传统工频变压器虽然具备高可靠性和低成本优势,但其体积庞大、重量沉重(主要由铁芯和铜绕组决定),且缺乏对电能质量的调控能力。SST的本质是将工频交流电整流为直流,调制为中高频交流电通过高频变压器耦合,再还原为工频或直流输出。这一过程的核心在于“频率置换体积”——根据变压器电动势方程,变压器体积与工作频率成反比。
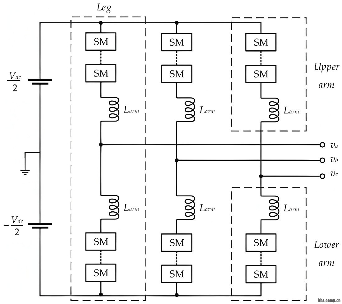
wKgZPGkrmDSAZnOnAAc7b3vaDA8244.png 2.1.1 拓扑结构的演进:模块化与级联化在未来十年(2025-2035),SST面向中高压配电网(10kV/35kV)的渗透将确立**级联H桥(CHB)模块化多电平换流器(MMC)**为主流技术路线。
wKgZO2krmI-AHgI_AAI0I2oMuV4559.png
  • 输入级(AC/DC): 为应对配电网的高电压,无法使用单管直接耐压,技术趋势是采用多个低压(1200V/1700V)功率单元串联级联。这使得基本半导体的1200V和1700V SiC MOSFET模块 1能够通过“积木式”堆叠服务于10kV甚至更高电压等级的电网,规避了研发超高压(10kV+)器件的高昂成本与低良率风险。
  • 隔离级(DC/DC): 这是SST减小体积的关键环节。**双有源桥(Dual Active Bridge, DAB)**拓扑因具备双向功率流动和软开关(ZVS)能力,已成为绝对的技术主流。然而,DAB在轻载或死区时间内易失去软开关特性,导致严重的硬开关损耗。这正是基本半导体零反向恢复模块大展身手的领域(详见后文分析)。
  • 输出级(DC/AC): 面向低压侧负载,逆变级需要处理大电流并具备极高的过载能力,特别是应对电机启动冲击或电网短路故障。
2.2 频率提升与磁性元件优化SST技术路线的核心驱动力是频率提升。
  • 现状(2025): 主流商用SST样机的工作频率多在10kHz-20kHz区间,受限于硅基IGBT的开关损耗(拖尾电流效应)。
  • 趋势(2030+): 随着SiC器件成本下降和磁性材料(如纳米晶、铁氧体)技术的进步,SST的工作频率将向50kHz-100kHz迈进。
  • 器件挑战: 频率提升意味着单位时间内的开关次数倍增。如果器件的单次开关损耗(Eon​+Eoff​)不能大幅降低,散热系统的体积增加将抵消变压器缩小的红利。基本半导体B3M系列芯片通过优化栅极电荷(Qg​)和极间电容(Ciss​/Crss​),专为这种高频硬开关应用设计 。
2.3 智能化与多端口融合 wKgZPGkNOZ-AIJOEAAmknCQJyug524.png 未来的SST不再仅仅是变压器,而是“能源路由器”。
  • 直流母线利用: 传统变压器没有直流端口。SST中间级的直流母线(DC Link)将成为分布式光伏、储能电池和直流充电桩的直接接入点,省去了额外的AC/DC变换环节,大幅提升系统综合效率。
  • 自我感知: 为了实现智能运维,SST内部的功率模块必须具备感知能力。基本半导体的Pcore™系列模块全系集成了NTC温度传感器 ,允许控制系统实时监控每一相桥臂的热状态,实现动态增容和寿命预测。

3. 未来10年SST应用增长趋势分析SST的应用增长并非孤立存在,而是由下游行业的电气化变革强力驱动。基于现有市场动态和基本半导体的战略布局,可以识别出以下四大高增长极。
wKgZPGkNPneAbJviAAXzMl5DY5I132.png 3.1 极速电动汽车充电枢纽(800V/1000V架构)这是SST未来十年最确定、最迅猛的增长点。随着电动汽车全面转向800V高压平台,传统的低压充电桩已无法满足350kW-600kW的兆瓦级充电需求。
  • 痛点: 建设一个包含10个超充桩的充电站,若采用传统方案,需要一台巨大的箱式变压器加上10套独立的AC/DC整流柜,占地面积大,配电效率低。
  • SST解决方案: 采用SST直接从中压配电网(10kV)取电,输出统一的1000V直流母线。所有充电桩直接挂载在直流母线上进行DC/DC变换。这种“中压直供”方案可减少一级变换,提升效率2%-3%,并大幅节省寸土寸金的城市站点面积。
  • 基本半导体机遇: 基本半导体的碳化硅模块已被明确列为“大功率快速充电桩”的关键器件 。其Pcore™2 62mm模块(BMF540R12KA3)单体电流高达540A ,非常适合构建充电站母线的整流单元。
3.2 可再生能源的直流汇集(光伏与风电)
  • 光伏: 地面电站正向1500V甚至更高电压发展。SST可以作为升压单元,直接将光伏阵列的直流电并入中压交流网,替代笨重的工频升压变。
  • 海上风电: 风机塔筒顶部的机舱空间极其有限,且承重昂贵。传统油浸式变压器重量巨大,增加了塔筒造价。SST体积小、重量轻(无油、高频磁芯小),可显著降低海上风电的建设成本(CAPEX)。
  • 环境适应性: 海上高湿盐雾环境对器件可靠性是极大考验。基本半导体模块通过了H3TRB(高温高湿反偏)测试(85°C/85%RH/1000h) 1,证明了其在恶劣环境下的长期生存能力。
3.3 数据中心与工业直流微网AI算力的爆发导致数据中心机架功率密度飙升至50kW-100kW。
  • 趋势: 为了降低传输损耗,数据中心供电架构正在从“UPS+PDU”向“中压直入+直流母线”转型。SST作为核心接口,将10kV市电直接转换为400V或800V直流电供给服务器机架。
3.4 轨道交通牵引变流SST在高铁和地铁领域的应用前景。
  • 车载SST: 牵引变压器是列车上最重的部件之一。使用SiC SST替代传统牵引变压器,可减重30%-50%,这对于追求高速和节能的轨道交通至关重要。这要求器件具备极高的功率循环寿命,而基本半导体的银烧结工艺正是为此类高可靠性场景准备的。

4. 基本半导体SiC MOSFET系列产品技术深度剖析要理解基本半导体在SST中的价值,必须深入其产品技术细节。作为一家采用IDM模式(设计、制造、封装一体化)的企业,基本半导体构建了针对SST需求的全方位产品矩阵。
wKgZO2kMni6AeMJUAAZl5YLtJGM031.png wKgZPGkMni-ADgGPAAZBCcVTtdY142.png wKgZPGkMni-AbrBVAAdeBCDwANQ685.png 4.1 第三代SiC芯片技术(B3M系列):性能基石B3M系列是基本半导体针对高性能应用推出的最新一代平面栅SiC MOSFET芯片。
超低比导通电阻: 以B3M013C120Z为例,其典型导通电阻仅为13.5mΩ(1200V耐压) 。在SST的高电流整流级,这意味着极低的传导损耗(Pcond​=IRDS(on)​)。
高压布局: 除了主流的1200V,基本半导体还推出了1400V MOSFET(如B3M010140Y) 。这一电压等级在SST应用中具有独特的战略价值:
  • 在1000V直流母线系统中,1200V器件的电压余量仅为200V,考虑到开关过冲和宇宙射线失效率(FIT),安全裕度捉襟见肘。
  • 1700V器件虽然安全,但导通电阻大幅增加,成本也更高。
  • 1400V器件提供了完美的折中,既保证了足够的安规距离,又维持了较低的损耗,是SST直流环节优化的“黄金规格”。
4.2 Pcore™模块家族:为工业与SST定制基本半导体没有简单沿用通用模块,而是开发了针对碳化硅特性的专用封装。
wKgZPGkMnRmASPoXAAYG-kVNto0809.png 4.2.1 Pcore™2 E2B系列:DAB拓扑的完美匹配该系列(如BMF240R12E2G3)采用了Easy2B兼容封装,但在内部电路拓扑上进行了重大创新——集成SiC肖特基二极管(SBD)。
  • 技术细节: 传统MOSFET依赖体二极管(Body Diode)续流,但体二极管存在反向恢复电荷(Qrr​),会导致严重的开关损耗和电磁干扰。E2B模块并在MOSFET旁的SBD几乎消除了反向恢复电流(详见后文价值分析)。
4.2.2 Pcore™2 62mm系列:大功率SST的基石针对兆瓦级SST,需要处理数百安培的电流。
  • 规格: BMF540R12KA3提供1200V/540A的强悍能力 。
  • 材料革新: 采用Si3​N4​(氮化硅)AMB陶瓷基板和铜底板。Si3​N4​的抗弯强度是Al2​O3​(氧化铝)的1.5倍以上,热导率是其3倍以上 1。这使得大功率模块能承受SST长期运行中的剧烈热循环而不发生陶瓷碎裂或分层。
4.2.3 34mm系列:紧凑型设计的利器BMF160R12RA3(1200V/160A)  提供了半桥拓扑的紧凑选择,非常适合构建SST中的级联单元(Cascade Cells),每个单元处理几千瓦到几十千瓦的功率,组合成兆瓦级系统。
wKgZO2kQAoiADlPTAAW1gDXekE4037.png
5. 基本半导体SiC MOSFET在SST中的核心应用价值本章节将结合SST的技术痛点与基本半导体的产品特性,进行点对点的价值映射分析。
5.1 价值一:极致的开关效率突破频率限制SST要实现体积缩减,必须提高开关频率。然而,频率提升会直接导致开关损耗(Psw​=fsw​×(Eon​+Eoff​))线性暴增。
数据支撑: 根据基本半导体提供的对比测试数据 ,其BMF240R12E2G3模块(240A/1200V)在800V/150A工况下的总开关损耗(Etotal​)仅为8.33mJ
竞品对比: 同样的工况下,某国际一线品牌(W***,推测为Wolfspeed)同类模块的损耗为9.15mJ,而传统的硅IGBT损耗通常在30mJ-50mJ量级。
SST应用含义:
  • 热管理: 更低的损耗意味着散热器体积可以减小,或者在相同散热条件下,SST可以输出更大的功率。
  • 频率自由度: 极低的Eoff​(仅1.78mJ)使得SST设计者可以将频率从10kHz提升至50kHz,从而将高频变压器的磁芯体积缩小4-5倍,直接响应了SST“高功率密度”的技术路线需求。
5.2 价值二:“零反向恢复”解决DAB拓扑痛点SST的核心隔离级——双有源桥(DAB)变换器,在进行功率双向流动调节时,经常会进入硬开关模式。此时,开关管必须承受反向并联二极管的反向恢复冲击。
  • 痛点: 普通MOSFET的体二极管虽比IGBT快,但仍有显著的Qrr​。这不仅产生巨大的反向恢复损耗(Err​),还会引起剧烈的电压尖峰和振荡(EMI问题),甚至导致桥臂直通炸机。
  • 基本半导体方案: Pcore™2 E2B系列模块内部集成了SiC SBD。
  • 价值量化: 根据1数据,集成SBD后,反向恢复能量Err​降至0.07mJ,几乎可以忽略不计。相比之下,未集成SBD的普通MOSFET体二极管Err​通常高出一个数量级。
  • 系统级收益: 这使得SST可以采用更简单的控制策略(无需复杂的全范围软开关算法),同时大幅降低死区时间的损耗,提升全负载范围内的效率。
5.3 价值三:1400V耐压优化直流母线架构在光储充一体化的SST应用中,直流母线电压往往设定在1000V-1100V以提升传输效率。
痛点: 1200V器件用于1100V母线,仅剩100V余量,极易因关断过压而被击穿。使用1700V器件则如同“大马拉小车”,增加了不必要的导通损耗。
基本半导体方案: B3M010140Y单管及其衍生的模块技术提供了1400V的额定耐压 。
价值分析:
  • 安全裕度: 提供了300V-400V的电压余量,足以应对电网波动和开关尖峰,显著降低了宇宙射线导致的随机失效率。
  • 性能折中: 相比1700V器件,1400V器件的漂移层更薄,导通电阻更低。这为SST设计者提供了一个兼顾效率与可靠性的最优解。
5.4 价值四:航天级材料工艺保障电网级寿命电网设备通常要求20-30年的使用寿命,这远超消费电子甚至普通工业设备的标准。SST作为电网节点,必须承受日夜温差、负载剧烈波动带来的热机械应力。
技术特征: 基本半导体的大功率模块采用了**Si3​N4​ AMB陶瓷基板银烧结**工艺。
数据验证:
  • Si3​N4​的热导率(90W/mK)远高于Al2​O3​(24W/mK),热膨胀系数(2.5 ppm/K)与SiC芯片(4 ppm/K)更为匹配 。
  • 在可靠性测试中,这种组合通过了15000次以上的功率循环(IOL)测试(ΔTj​≥100∘C)1。
SST应用含义: 意味着基本半导体的模块不会因为SST每天随光伏发电波动而产生的热胀冷缩导致焊层疲劳或基板开裂,从而保障了SST作为基础设施的长周期稳定运行。
5.5 价值五:全产业链自主可控与汽车级品质溢出供应链安全是能源基础设施(如国家电网项目)的首要考量。
wKgZO2kMnhuAew6bAASQIBRIBhc258.png wKgZO2kMnhuAeNeKAAq8d4eeX9U002.png wKgZPGkMnhuANR72AAYF2cT77uU798.png
  • 供应链价值: 基本半导体拥有深圳的6英寸SiC晶圆制造基地和车规级封装产线 。这种IDM模式保证了在SST大规模部署(需求爆发)时,产能供应的稳定性和成本的可控性。
  • 品质溢出: 基本半导体已经向车企批量供货 。汽车行业对PPM(百万分之几)级失效率的苛刻要求倒逼企业建立了极致的质量管理体系。这种“车规级”的制造能力被直接移植到工业级模块生产中,使得用于SST的工业模块实际上享受了汽车级的质量红利。

6. 数据详实:关键产品参数与竞品对标表为了更直观地展示基本半导体产品在SST应用中的竞争力,下表基于研究资料中的实测数据整理而成。
表1:1200V半桥模块关键性能对标(基于1)
性能指标测试条件基本半导体 (BMF240R12E2G3)国际竞品 W (推测Wolfspeed)*技术优势分析
导通电阻 RDS(on)​Tj​=25∘C5.5 mΩ6.75 mΩ更低的静态损耗,重载效率更高。
高温 RDS(on)​Tj​=150∘C8.5 mΩ7.6 mΩ (注:竞品温漂略优,但基本半导体初始值更低)综合全温度范围,导通损耗处于第一梯队。
关断损耗 Eoff800V/150A1.78 mJ3.21 mJ损耗降低45% 。极低的关断损耗是高频应用的关键,允许SST运行在更高频率。
总开关损耗 Etotal800V/150A8.33 mJ9.15 mJ总损耗降低约10%,减轻散热压力。
反向恢复能量 Err二极管特性0.07 mJ0.83 mJ (未集成SBD)降低一个数量级。得益于集成SBD,完美解决DAB拓扑硬开关痛点。
绝缘基板材料-Si3​N4​ AMB通常为Al2​O3​或AlN机械强度更高,热循环寿命更长。表2:超大功率62mm模块参数解析(基于1)
参数数值SST应用解读
额定电流 ID540 A (@90°C)极高的电流密度允许SST单机功率做大,减少并联器件数量,提升系统可靠性。
导通电阻 RDS(on)​2.5 mΩ (Typ)在300A运行电流下,导通压降仅0.75V,远低于同级IGBT(约1.5V-2.0V),传导损耗降低50%以上。
热阻 Rth(jc)​0.07 K/W极低的热阻意味着芯片产生的热量能迅速传导至散热器,提升过载能力。
漏源电压 VDSS1200 V标准电压等级,适合级联型SST单元。
7. 战略总结与展望深圳市倾佳电子有限公司(简称“倾佳电子”)是聚焦新能源与电力电子变革的核心推动者:
倾佳电子成立于2018年,总部位于深圳福田区,定位于功率半导体与新能源汽车连接器的专业分销商,业务聚焦三大方向:
新能源:覆盖光伏、储能、充电基础设施;
交通电动化:服务新能源汽车三电系统(电控、电池、电机)及高压平台升级;
数字化转型:支持AI算力电源、数据中心等新型电力电子应用。
公司以“推动国产SiC替代进口、加速能源低碳转型”为使命,响应国家“双碳”政策(碳达峰、碳中和),致力于降低电力电子系统能耗。
需求SiC碳化硅MOSFET单管及功率模块,配套驱动板及驱动IC,请添加倾佳电子杨茜微芯(壹叁贰 陆陆陆陆 叁叁壹叁)

wKgZO2kNRDWAKQieAAYnoo8wfus549.png wKgZO2kNOcaAM2aAAAb4RMnV7os303.png 固态变压器(SST)代表了电力电子技术在能源领域的终极形态之一。从技术路线看,SST正通过级联多电平架构、高频化磁集成和智能化控制,逐步克服成本与可靠性的障碍。从应用趋势看,电动汽车800V超充网络建设、可再生能源并网以及轨道交通轻量化需求,正在为SST创造一个千亿级的潜在市场。
在这一历史进程中,基本半导体凭借其精准的战略卡位和深厚的技术积累,展现出了极高的应用价值:
  • 技术契合度高: 其B3M系列芯片和Pcore™模块(特别是集成SBD的E2B系列和1400V产品)完美解决了SST对于高频、高效、高压直流链路的特定需求。
  • 可靠性壁垒强: 通过引入Si3​N4​ AMB基板和银烧结工艺,基本半导体将工业级产品的可靠性提升到了准车规级水平,消除了电网客户对SST寿命的顾虑。
  • 产业生态完善: 依托IDM模式和强大的股东背景,基本半导体不仅是器件供应商,更是SST产业链生态的重要参与者。
综上所述,基本半导体的SiC MOSFET产品不仅是SST核心功率单元的理想选择,更是推动SST从“技术示范”走向“规模应用”的关键赋能者。随着未来十年全球电网升级浪潮的到来,基本半导体有望在这一细分领域占据核心地位,助力构建更加高效、智能的绿色能源互联网。

您需要登录后才可以回帖 登录 | 注册

本版积分规则

关闭

站长推荐 上一条 /2 下一条

手机版| 小黑屋| 关于我们| 联系我们| 用户协议&隐私声明| 版权投诉通道| EETOP 创芯网
( 京ICP备:10050787号 京公网安备:11010502037710 ) |网站地图

GMT+8, 2025-12-24 20:37 , Processed in 0.016001 second(s), 4 queries , Gzip On, Redis On.

eetop公众号 创芯大讲堂 创芯人才网
快速回复 返回顶部 返回列表