在线咨询 切换到宽版
eetop公众号 创芯大讲堂 创芯人才网

 找回密码
 注册

手机号码,快捷登录

手机号码,快捷登录

搜全文
查看: 310|回复: 2

[原创] 折叠式共源共栅中电流镜电流分配问题

[复制链接]
发表于 2025-10-24 18:02:49 | 显示全部楼层 |阅读模式

马上注册,结交更多好友,享用更多功能,让你轻松玩转社区。

您需要 登录 才可以下载或查看,没有账号?注册

×
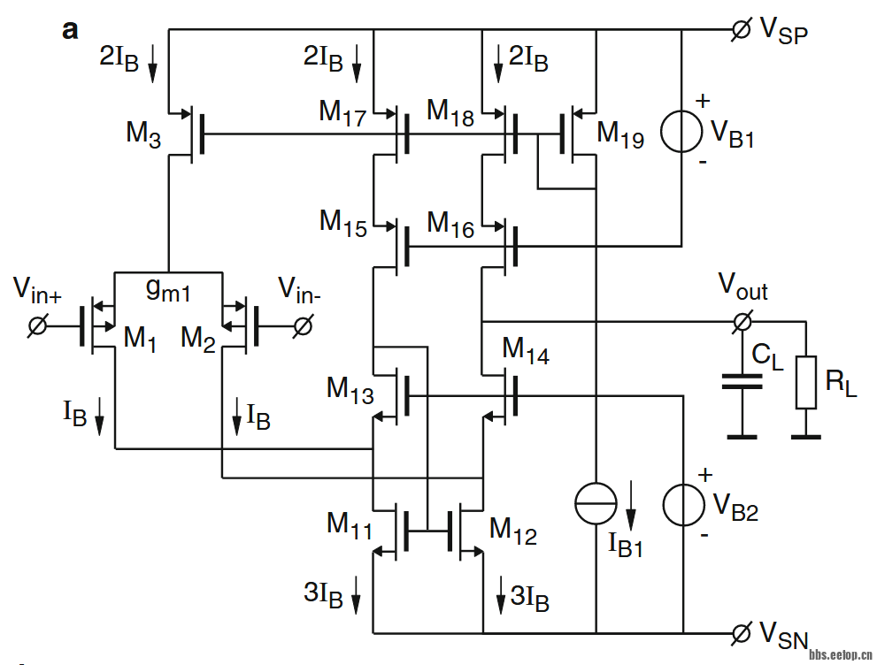
请问下图的描述中,高亮部分怎么理解啊?为什么上侧的电流源 M17 和 M18 必须提供一个输入晶体管两倍的偏置电流,才能完全激励输出呢?

                               
登录/注册后可看大图



a.png
发表于 2025-10-25 01:17:51 | 显示全部楼层
保证输出级有足够的电流来响应大信号,这是出于slew rate的考虑
回复 支持 反对

使用道具 举报

发表于 2025-10-25 12:16:35 | 显示全部楼层
提示:否则M13会进入截止区
回复 支持 反对

使用道具 举报

您需要登录后才可以回帖 登录 | 注册

本版积分规则

关闭

站长推荐 上一条 /1 下一条

手机版| 小黑屋| 关于我们| 联系我们| 隐私声明| EETOP 创芯网
( 京ICP备:10050787号 京公网安备:11010502037710 ) |网站地图

GMT+8, 2025-11-3 05:34 , Processed in 0.028221 second(s), 5 queries , Gzip On, Redis On.

eetop公众号 创芯大讲堂 创芯人才网
快速回复 返回顶部 返回列表