在线咨询 切换到宽版
eetop公众号 创芯大讲堂 创芯人才网

 找回密码
 注册

手机号码,快捷登录

手机号码,快捷登录

搜全文
楼主: 胡安喜

[求助] 无片外电容LDO共轭极点

[复制链接]
发表于 昨天 11:44 | 显示全部楼层


   
迷路大脸猫 发表于 2025-4-10 18:13
内环震荡了,也就是Cm这条内环路稳定性不足。加一个iprob跟Cm串联,在外环交流断开的情况下仿该iprob的稳定 ...


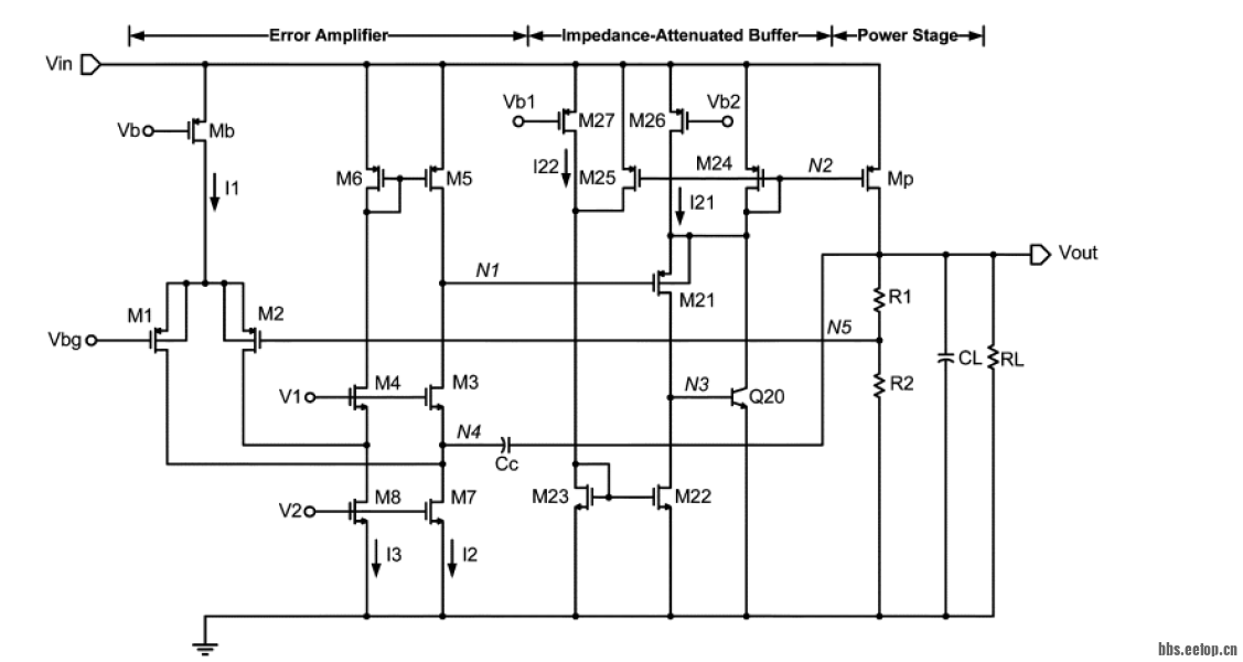
想问下内环如何保持稳定呢,最近做了一个最大负载能力要百mA级别的LDO,采用了如下图所示的电路架构,外环稳定但是实际tran会有震荡。
screenshot_2025-11-13_11-42-47.png
回复 支持 反对

使用道具 举报

发表于 昨天 13:44 | 显示全部楼层


   
koudoushini 发表于 2025-11-13 11:44
想问下内环如何保持稳定呢,最近做了一个最大负载能力要百mA级别的LDO,采用了如下图所示的电路架构,外 ...


增大M3的电流。
回复 支持 反对

使用道具 举报

发表于 昨天 14:40 | 显示全部楼层


   
迷路大脸猫 发表于 2025-11-13 13:44
增大M3的电流。


加大M3电流之后外环的stb仿真,不同负载下的PM GM又挂了。好难
回复 支持 反对

使用道具 举报

发表于 昨天 14:43 | 显示全部楼层


   
koudoushini 发表于 2025-11-13 14:40
加大M3电流之后外环的stb仿真,不同负载下的PM GM又挂了。好难


M3电流大概是M1的4倍
回复 支持 反对

使用道具 举报

发表于 昨天 15:55 | 显示全部楼层


   
迷路大脸猫 发表于 2025-11-13 14:43
M3电流大概是M1的4倍


我发现这就是个trade off,增大电流,增益就会小,输出电压精度就会降低,但是增益如果上去了,稳定性就差了。
回复 支持 反对

使用道具 举报

发表于 7 小时前 | 显示全部楼层


   
5477 发表于 2025-8-21 22:53
你好可以要一下这篇文献吗,感觉对我有点帮助会


A Sub-1 V Transient-Enhanced Output-Capacitorless LDO Regulator With Push–Pull Composite Power Transistor
回复 支持 反对

使用道具 举报

您需要登录后才可以回帖 登录 | 注册

本版积分规则

关闭

站长推荐 上一条 /2 下一条

手机版| 小黑屋| 关于我们| 联系我们| 隐私声明| EETOP 创芯网
( 京ICP备:10050787号 京公网安备:11010502037710 ) |网站地图

GMT+8, 2025-11-14 18:53 , Processed in 0.881581 second(s), 4 queries , Gzip On, Redis On.

eetop公众号 创芯大讲堂 创芯人才网
快速回复 返回顶部 返回列表