kinglight2024的个人空间 https://blog.eetop.cn/?1829229 [收藏] [复制] [分享] [RSS]

日志

高速光耦在通信行业的应用(二) | 100Kbps通信和30KHz功率开关驱动的应用 ...

已有 534 次阅读| 2025-5-21 14:21 |系统分类:芯片设计

在上一期的内容中,我们精心为大家整理了一份关于晶台光耦在各类通信(驱动)电路中应用的选型指南。考虑到不同通信速率下的应用需求存在显著差异,如何准确选择适合的芯片并在同时合理控制成本,成为了设计过程中至关重要的一环。因此,从本期开始,我们将通过一系列详尽的应用实例及其原理示意图,为设计者们提供切实可行且具有高度参考价值的解决方案。

晶台光耦的性能优势

晶台光耦作为一种高性能的电子组件,在单片机MCU)与可编程逻辑控制器(PLC)的通信电路中应用广泛。其晶体管输出型光耦系列,能满足多种中高速通信需求,涵盖4800bd、9600bd等标准波特率,以及更高速的57600bd、76800bd等串口通信波特率。在构建发送(TXD)与接收(RXD)接口的隔离过程中,光耦不仅能提高通信效率,还具有诸多优势。采用晶体管类型光耦组建的通信接口,成本优势显著,能有效降低整体系统搭建成本。同时,晶台光耦还具备出色的稳定性和耐用性,寿命远超许多传统元件,保障了通信电路长期稳定运行,成为众多工程师设计通信产品时的首选。

晶台晶体管类型光耦的应用范围极广,能够适配大部分通信协议和MOSFET驱动信号传输,满足工业控制、自动化设备、数据处理等多个领域的实际需求。其稳定可靠的性能,为各类电子设备的通信功能提供了强有力的支撑。

晶台光耦的具体应用

图片

图一、串口通信应用

在串口通信应用中,如图一所示,KL357 光耦(SOP4)的OC(集电极开路)端所配置的上拉电阻对通信速率有着直接且重要的影响。选择合适的上拉电阻值,能确保信号在传输过程中的稳定性和完整性,降低误码率,实现较高的通信速率。此外,输入端限流电阻的选择也至关重要,它关乎电路整体安全性,影响光耦的开关特性,包括上升时间和下降时间。恰当的限流电阻值能优化光耦的开关速度,确保信号传输的及时性和准确性。

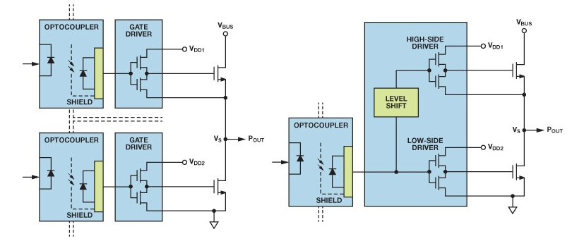
图片

图二、MOSFET隔离驱动信号传输

在MOSFET隔离驱动信号传输方面,在高压驱动电路中,若控制侧涉及人的活动,就必须在高功率侧与低电压控制电路之间实现电流隔离。这种隔离措施能有效防止高压侧故障危及用户,即使电路元件损坏或失效,隔离栅也能确保电力不会传导至用户端。晶台晶体管类型输出系列光耦,提供高达30KHz的驱动开关频率,可满足大部分逆变器和电机驱动电路使用。在更高速驱动中,选用高速光耦系列,可高达1MHz。设计中的输入输出端设置类似于通信电路,不同的是,栅极驱动需要更多考虑高速开关损耗的电流驱动能力。

KL357的传输特性参数

图片

图三、KL357传输特性参数

在设计过程中,相较于模拟信号的处理,此处更关注开关量传输的延时以及tr(上升时间)和tf(下降时间)的实际数值。需要注意的是,数据手册中提供的参数仅代表光耦在特定测试条件下的表现。然而,在实际的设计应用中,这些条件往往与测试条件不同。因此,为了满足产品的需求,我们可能需要调整外部设计,以获得更优的时间传输特性。

总之,晶台光耦的晶体管类型输出系列,在处理开关信号时,能够胜任相对较高的传输速率,具体可达100kbps;尤其在高压功率驱动产品中,其工作频率更是高达30KHz,相较于同系列竞品有明显优势,为用户提供了更具成本效益的应用选项。



点赞

评论 (0 个评论)

facelist

您需要登录后才可以评论 登录 | 注册

  • 7

    周排名
  • 0

    月排名
  • 0

    总排名
  • 0

    关注
  • 0

    粉丝
  • 0

    好友
  • 0

    获赞
  • 0

    评论
  • 9

    访问数
关闭

站长推荐 上一条 /1 下一条


手机版| 小黑屋| 关于我们| 联系我们| 隐私声明| EETOP 创芯网
( 京ICP备:10050787号 京公网安备:11010502037710 )

GMT+8, 2025-10-1 06:47 , Processed in 0.013878 second(s), 7 queries , Gzip On, Redis On.

eetop公众号 创芯大讲堂 创芯人才网
返回顶部